Главная > Подшипники> Шариковые> Радиально-упорные>7313-BECB-MP

7313-BECB-MP — Подшипник шариковый однорядный радиально-упорный, импортное производство по ISO стандарту, размер 65x140x33 номер основного исполнения 7313.
Производитель: NKE.
B = 40 градусов угол контакта. M = обработанный латунный сепаратор, расположенныйна элементах качения.
Цена от:1 336 р.
Цена на подшипник зависит от:
| Обозначение | Модификация |
|---|---|
| 7313 | Основное конструктивное исполнение. |
| 7313DT | T = Механически обработанный сепаратор из текстолита, центрируемый по телам качения. |
| 7313BG | B = 40 градусов угол контакта. G = Однорядный радиально-упорный шарикоподшипник для универсального парного монтажа. Два подшипника, установленные по 0-образной или Х-образной схеме, будут иметь определенный осевой зазор в домонтажном состоянии. |
| 6-7313 | |
| 7313 A | A = внутренняя модификация конструкции. |
| 7313AC | AC = Угол контакта 25 градусов. |
| 7313 B | B = однокомпонентное ребристое внутреннее кольцо. |
| 7313 C | С = Необслуживаемые концы стержней, внутренняя резьба. |
| 7313DB | D = профиль наружного кольца, усовершенствованный, с увеличенной зоной несущей нагрузки и оптимизированными краевыми переходами. |
| 7313DF | Комплект подшипников расположенных лицом к лицу, дуплексная Х-образная пара. |
| 7313WN | W = Без кольцевой канавки и смазочных отверстий в наружном кольце. |
| 7313CDT | С = Необслуживаемые концы стержней, внутренняя резьба. |
| 7313CDF | Комплект подшипников расположенных лицом к лицу, дуплексная Х-образная пара. |
| 7313BDF | B = 40 градусов угол контакта. DF = Два однорядных радиальных шарикоподшипника, однорядных радиально-упорных шарикоподшипника или однорядных конических роликоподшипника, согласованные для монтажа по Х-образной схеме. |
| 7313BEA | A = внутренняя модификация конструкции. |
| 7313BGM | B = 40 градусов угол контакта. G = Однорядный радиально-упорный шарикоподшипник для универсального парного монтажа. Два подшипника, установленные по 0-образной или Х-образной схеме, будут иметь определенный осевой зазор в домонтажном состоянии. |
| 7313CDB | С = Необслуживаемые концы стержней, внутренняя резьба. |
| 7313BDT | BD = Модифицированная внутренняя конструкция, угол контакта α = 30 градусов, без отверстия для заполнения. |
| 7313BGA | B = 40 градусов угол контакта. G = Однорядный радиально-упорный шарикоподшипник для универсального парного монтажа. Два подшипника, установленные по 0-образной или Х-образной схеме, будут иметь определенный осевой зазор в домонтажном состоянии. |
| 7313 BEP | Радиально-упорный шарикоподшипник с угол контакта - 40. Оптимизированная внутренняя конструкция. Сепаратор армирован стекловолокном с шаровым центром. |
| 7313 ADF | Комплект подшипников расположенных лицом к лицу, дуплексная Х-образная пара. |
| 7313 ADT | T = Механически обработанный сепаратор из текстолита, центрируемый по телам качения. |
| 7313 BDB | B = 40 градусов угол контакта. DB = два однорядных радиальных шарикоподшипника, однорядные радиально-упорные шарикоподшипники или однорядные конические роликовые подшипники, подходящие для монтажа в расположении друг за другом. |
| 7313 ADB | A = Модифицированная внутренняя конструкция. DB = два однорядных радиальных шарикоподшипника, однорядные радиально-упорные шарикоподшипники или однорядные конические роликовые подшипники, подходящие для монтажа в расположении друг к другу. |
| 7313 B.MP | B = 40 градусов угол контакта. M = обработанный латунный сепаратор, расположенныйна элементах качения. |
| 7313 C-UO | С = Необслуживаемые концы стержней, внутренняя резьба. |
| 7313 A-UD | A = внутренняя модификация конструкции. |
| 7313 B-UD | D = профиль наружного кольца, усовершенствованный, с увеличенной зоной несущей нагрузки и оптимизированными краевыми переходами. |
| 7313 A-UX | A = внутренняя модификация конструкции. |
| 7313 C-UX | С = Необслуживаемые концы стержней, внутренняя резьба. |
| 7313 B-UO | B = однокомпонентное ребристое внутреннее кольцо. |
| 7313 B-UX | X = Внешние размеры, соответствующие международным стандартам. |
| 7313 A-UO | A = внутренняя модификация конструкции. |
| 7313 C-UD | С = Необслуживаемые концы стержней, внутренняя резьба. |
| 7313 B.JP | B = однокомпонентное ребристое внутреннее кольцо. |
| 7313 B.TVP | TVP = сегментный сепаратор, изготовленный из армированного стекловолокном полиамида PA66 направленная по роликам. |
| 7313 BECBP | ЕС = эксцентриковый фиксатор воротника с утопленным внутренним кольцом на одной стороне. |
| 7313 BEGAP | Радиально-упорный шарикоподшипник с углом контакта 40. Оптимизированная внутренняя конструкция. Подшипник для универсального сопряжения. Два подшипника, расположенных вплотную друг к другу или лицом к лицу, имеют небольшой предварительный натяг. Сепаратор армирован стекловолокном. |
| 7313 BECBF | ЕС = эксцентриковый фиксатор воротника с утопленным внутренним кольцом на одной стороне. |
| 7313 BEGBP | G = Однорядный радиально-упорный шарикоподшипник для универсального парного монтажа. Два подшипника, установленные по 0-образной или Х-образной схеме, будут иметь определенный осевой зазор в домонтажном состоянии. |
| 7313 BECBM | B = 40 градусов угол контакта. M = обработанный латунный сепаратор, расположенныйна элементах качения. |
| 7313 BECBY | ЕС = эксцентриковый фиксатор воротника с утопленным внутренним кольцом на одной стороне. |
| 7313 BEGBY | Y = Штампованный латунный сепаратор, центрируемый по телам качения. |
| 7313 BEGAF | A = внутренняя модификация конструкции. |
| 7313 BEGBM | B = 40 градусов угол контакта. M = обработанный латунный сепаратор, расположенныйна элементах качения. |
| 7313 BECBJ | BE = однорядный радиально-упорный шарикоподшипник с углом контакта 40 градусов и оптимизированной внутренней конструкцией. CB = подшипник для универсального соответствия. Два подшипника, расположенные друг за другом или лицом к лицу, будут иметь нормальный осевой внутренний зазор перед монтажом. J = Прессованный стальной сепаратор оконного типа, сферическая по центру. |
| 7313 BEGAM | A = внутренняя модификация конструкции. |
| 7313-BE-MP | Радиально-упорный шарикоподшипник с углом контакта 40. Оптимизированная внутренняя конструкция. Обработанный латунный сепаратор центрируемый по шарику. |
| 7313 BECCM | Радиальный сферический роликоподшипник исполнения С с улучшенным ведением роликов и, благодаря этому, сниженным потерям на трение. |
| 7313 BECBPH | ЕС = эксцентриковый фиксатор воротника с утопленным внутренним кольцом на одной стороне. |
| Техника | Модель | Агрегат |
|---|---|---|
| Комбайн | КПИ-2.4 | Измельчитель/редуктор конический |
| Трактор | Т-150 | Передача главная/вал ведущий |
| Комбайн | КСК-100А-А1 | Редуктор/валы. шестерни |
| Трактор | Т-150К | Шестерня ведущая |
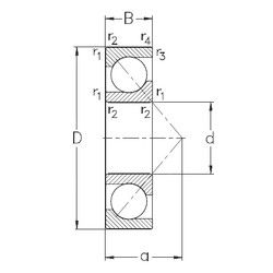
Габаритные размеры
Размеры и геометрические характеристики
Нагрузка и ресурс
Защита
Присоединительные размеры
Конструкция и исполнение
Подшипник шариковый радиальный 6-313 (ГПЗ-23)
Однорядный цилиндрический роликовый подшипник NJ313 (CRAFT, FAG, FBJ, ISB, ISO)
Однорядный цилиндрический роликовый подшипник NU313 (CRAFT, FAG, FBJ, ISB, ISO)
Подшипник роликовый сферический 20313 (FAG, ISO, SIGMA)
Подшипник роликовый сферический 21313 (IBC, ISB, NTN)
Подшипник шариковый радиальный сферический двухрядный с цилиндрическим отверстием внутреннего кольца 1313