Главная > Подшипники> Шариковые> Радиально-упорные>7310-BECB-TVP

7310-BECB-TVP — Радиально-упорный шарикоподшипник, импортное производство по ISO стандарту, размер 50x110x27 номер основного исполнения 7310.
Производитель: NKE.
TVP = сегментный сепаратор, изготовленный из армированного стекловолокном полиамида PA66 направленная по роликам.
Цена от:1 055 р.
Цена на подшипник зависит от:
| Обозначение | Модификация |
|---|---|
| 7310 | Основное конструктивное исполнение. |
| 7310B | B = однокомпонентное ребристое внутреннее кольцо. |
| 8-7310 | |
| 7310 C | С = Необслуживаемые концы стержней, внутренняя резьба. |
| 7310DT | T = Механически обработанный сепаратор из текстолита, центрируемый по телам качения. |
| 7310DF | Комплект подшипников расположенных лицом к лицу, дуплексная Х-образная пара. |
| 7310WN | W = Без кольцевой канавки и смазочных отверстий в наружном кольце. |
| 7310BG | B = 40 градусов угол контакта. G = Однорядный радиально-упорный шарикоподшипник для универсального парного монтажа. Два подшипника, установленные по 0-образной или Х-образной схеме, будут иметь определенный осевой зазор в домонтажном состоянии. |
| 7310DB | D = профиль наружного кольца, усовершенствованный, с увеличенной зоной несущей нагрузки и оптимизированными краевыми переходами. |
| 7310BA | A = внутренняя модификация конструкции. |
| 7310 A | A = внутренняя модификация конструкции. |
| 7310AC | AC = Угол контакта 25 градусов. |
| S7310B | B = однокомпонентное ребристое внутреннее кольцо. |
| 7310BGA | B = 40 градусов угол контакта. G = Однорядный радиально-упорный шарикоподшипник для универсального парного монтажа. Два подшипника, установленные по 0-образной или Х-образной схеме, будут иметь определенный осевой зазор в домонтажном состоянии. |
| 7310BBG | B = 40 градусов угол контакта. G = Однорядный радиально-упорный шарикоподшипник для универсального парного монтажа. Два подшипника, установленные по 0-образной или Х-образной схеме, будут иметь определенный осевой зазор в домонтажном состоянии. |
| 7310BEA | A = внутренняя модификация конструкции. |
| 7310BGM | B = 40 градусов угол контакта. G = Однорядный радиально-упорный шарикоподшипник для универсального парного монтажа. Два подшипника, установленные по 0-образной или Х-образной схеме, будут иметь определенный осевой зазор в домонтажном состоянии. |
| 7310 BEP | Радиально-упорный шарикоподшипник с угол контакта - 40. Оптимизированная внутренняя конструкция. Сепаратор армирован стекловолокном с шаровым центром. |
| 7310 BDT | BD = Модифицированная внутренняя конструкция, угол контакта α = 30 градусов, без отверстия для заполнения. |
| 7310 ADT | T = Механически обработанный сепаратор из текстолита, центрируемый по телам качения. |
| 7310 CDF | Комплект подшипников расположенных лицом к лицу, дуплексная Х-образная пара. |
| 7310 CDB | С = Необслуживаемые концы стержней, внутренняя резьба. |
| 7310 CDT | С = Необслуживаемые концы стержней, внутренняя резьба. |
| 7310 ADB | A = Модифицированная внутренняя конструкция. DB = два однорядных радиальных шарикоподшипника, однорядные радиально-упорные шарикоподшипники или однорядные конические роликовые подшипники, подходящие для монтажа в расположении друг к другу. |
| 7310 BDB | B = 40 градусов угол контакта. DB = два однорядных радиальных шарикоподшипника, однорядные радиально-упорные шарикоподшипники или однорядные конические роликовые подшипники, подходящие для монтажа в расположении друг за другом. |
| 7310 ADF | Комплект подшипников расположенных лицом к лицу, дуплексная Х-образная пара. |
| 7310 BDF | B = 40 градусов угол контакта. DF = Два однорядных радиальных шарикоподшипника, однорядных радиально-упорных шарикоподшипника или однорядных конических роликоподшипника, согласованные для монтажа по Х-образной схеме. |
| 7310 B-UD | D = профиль наружного кольца, усовершенствованный, с увеличенной зоной несущей нагрузки и оптимизированными краевыми переходами. |
| 7310 A-UD | A = внутренняя модификация конструкции. |
| 7310 B-UO | B = однокомпонентное ребристое внутреннее кольцо. |
| 7310B-2RS | Резиновые уплотнения с каждой стороны подшипника. |
| 7310 C-UX | С = Необслуживаемые концы стержней, внутренняя резьба. |
| 7310BDBTT | B = 40 градусов угол контакта. DB = два однорядных радиальных шарикоподшипника, однорядные радиально-упорные шарикоподшипники или однорядные конические роликовые подшипники, подходящие для монтажа в расположении друг за другом. |
| 7310 C-UD | С = Необслуживаемые концы стержней, внутренняя резьба. |
| 7310 A-UX | A = внутренняя модификация конструкции. |
| 7310 B-UX | X = Внешние размеры, соответствующие международным стандартам. |
| 7310 C-UO | С = Необслуживаемые концы стержней, внутренняя резьба. |
| 7310 A-UO | A = внутренняя модификация конструкции. |
| 7310-B-JP | B = однокомпонентное ребристое внутреннее кольцо. |
| 7310 BEGBY | Y = Штампованный латунный сепаратор, центрируемый по телам качения. |
| 7310 BECAM | ECA (тип сегмента клетки, код M) = усиленный роликовый каркас, цельный латунный сепаратор с механической обработкой, двойной зуб, удерживающие фланцы на внутреннем кольце, направляющее кольцо по центру на внутреннем кольце. |
| 7310-B-TVP | TVP = сегментный сепаратор, изготовленный из армированного стекловолокном полиамида PA66 направленная по роликам. |
| 7310 BECBY | ЕС = эксцентриковый фиксатор воротника с утопленным внутренним кольцом на одной стороне. |
| 7310 BECBM | B = 40 градусов угол контакта. M = обработанный латунный сепаратор, расположенныйна элементах качения. |
| 7310-BE-MP | Радиально-упорный шарикоподшипник с углом контакта 40. Оптимизированная внутренняя конструкция. Обработанный латунный сепаратор центрируемый по шарику. |
| 7310 BECBP | ЕС = эксцентриковый фиксатор воротника с утопленным внутренним кольцом на одной стороне. |
| 7310 BEGBP | G = Однорядный радиально-упорный шарикоподшипник для универсального парного монтажа. Два подшипника, установленные по 0-образной или Х-образной схеме, будут иметь определенный осевой зазор в домонтажном состоянии. |
| 7310 BECBJ | BE = однорядный радиально-упорный шарикоподшипник с углом контакта 40 градусов и оптимизированной внутренней конструкцией. CB = подшипник для универсального соответствия. Два подшипника, расположенные друг за другом или лицом к лицу, будут иметь нормальный осевой внутренний зазор перед монтажом. J = Прессованный стальной сепаратор оконного типа, сферическая по центру. |
| 7310 BEGAPH | Однорядный радиально-упорный шарикоподшипник с углом контакта - 40. Оптимизирована внутренняя конструкция. Подшипник для универсального сопряжения, по схеме спина к спине или лицо к лицу, перед монтажом будут иметь предварительный натяг. Сепаратор оконного типа, отлитый под давлением из PEEK, с центрированием по шарику. |
| 7310-BE-TVP | E = Увеличенная грузоподъемность. TVP = (сегментная сепаратор, код P) = сплошная оконная сепаратор из армированного стекловолокном полиамида PA66. Катание на роликах. |
| Техника | Модель | Агрегат |
|---|---|---|
| Трактор | Т-150К | Вал карданный промежуточный |
| Трактор | МТЗ-100 | Корпус КП/опора передняя вторичного вала |
| Комбайн | КСКУ-6 | Редуктор |
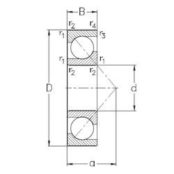
Габаритные размеры
Размеры и геометрические характеристики
Нагрузка и ресурс
Защита
Присоединительные размеры
Конструкция и исполнение
Однорядный цилиндрический роликовый подшипник NU310 (CRAFT, FAG, FBJ, ISB, ISO)
Однорядный цилиндрический роликовый подшипник NJ310 (CRAFT, FAG, FBJ, ISB, ISO)
Подшипник шариковый радиальный 6-310 (ГПЗ-1)
Подшипник роликовый радиальный с короткими цилиндрическими роликами без бортов на наружном кольце 62310
Подшипник роликовый сферический 21310 (ISB, SKF)
Подшипник шариковый радиальный сферический двухрядный с цилиндрическим отверстием внутреннего кольца 1310