Главная > Подшипники> Шариковые> Радиально-упорные>7308 BE-2RZP

7308 BE-2RZP — Подшипник шариковый однорядный радиально-упорный, импортное производство по ISO стандарту, размер 90x40x23 номер основного исполнения 7308.
Производитель: SKF.
BE = однорядный радиально-упорный шарикоподшипник с углом контакта 40 градусов и оптимизированной внутренней конструкцией. 2RZ = шарикоподшипник по DIN 623, два уплотнения с низким трением. P = Формованная литьем под давлением сепаратор оконного типа из армированного стекловолокном полиамида 6,6, сфокусированная на шарике.
Цена от:1 048 р.
Цена на подшипник зависит от:
| Обозначение | Модификация |
|---|---|
| 7308 | Основное конструктивное исполнение. |
| S7308B | B = однокомпонентное ребристое внутреннее кольцо. |
| 7308BG | B = 40 градусов угол контакта. G = Однорядный радиально-упорный шарикоподшипник для универсального парного монтажа. Два подшипника, установленные по 0-образной или Х-образной схеме, будут иметь определенный осевой зазор в домонтажном состоянии. |
| 7308DB | D = профиль наружного кольца, усовершенствованный, с увеличенной зоной несущей нагрузки и оптимизированными краевыми переходами. |
| 7308 C | С = Необслуживаемые концы стержней, внутренняя резьба. |
| 7308AC | AC = Угол контакта 25 градусов. |
| 7308 A | A = внутренняя модификация конструкции. |
| 7308BA | A = внутренняя модификация конструкции. |
| 7308DF | Комплект подшипников расположенных лицом к лицу, дуплексная Х-образная пара. |
| 7308 B | B = однокомпонентное ребристое внутреннее кольцо. |
| 7308WN | W = Без кольцевой канавки и смазочных отверстий в наружном кольце. |
| 7308DT | T = Механически обработанный сепаратор из текстолита, центрируемый по телам качения. |
| 7308BGA | B = 40 градусов угол контакта. G = Однорядный радиально-упорный шарикоподшипник для универсального парного монтажа. Два подшипника, установленные по 0-образной или Х-образной схеме, будут иметь определенный осевой зазор в домонтажном состоянии. |
| 7308CP5 | P5 = Подшипники 5-го класса точности DIN |
| 7308BEA | A = внутренняя модификация конструкции. |
| 7308BGM | B = 40 градусов угол контакта. G = Однорядный радиально-упорный шарикоподшипник для универсального парного монтажа. Два подшипника, установленные по 0-образной или Х-образной схеме, будут иметь определенный осевой зазор в домонтажном состоянии. |
| 7308 ADF | Комплект подшипников расположенных лицом к лицу, дуплексная Х-образная пара. |
| 7308 BDF | B = 40 градусов угол контакта. DF = Два однорядных радиальных шарикоподшипника, однорядных радиально-упорных шарикоподшипника или однорядных конических роликоподшипника, согласованные для монтажа по Х-образной схеме. |
| 7308 BEP | Радиально-упорный шарикоподшипник с угол контакта - 40. Оптимизированная внутренняя конструкция. Сепаратор армирован стекловолокном с шаровым центром. |
| 7308 BDT | BD = Модифицированная внутренняя конструкция, угол контакта α = 30 градусов, без отверстия для заполнения. |
| 7308 BDB | B = 40 градусов угол контакта. DB = два однорядных радиальных шарикоподшипника, однорядные радиально-упорные шарикоподшипники или однорядные конические роликовые подшипники, подходящие для монтажа в расположении друг за другом. |
| 7308 ADT | T = Механически обработанный сепаратор из текстолита, центрируемый по телам качения. |
| 7308 CDT | С = Необслуживаемые концы стержней, внутренняя резьба. |
| 7308 CDF | Комплект подшипников расположенных лицом к лицу, дуплексная Х-образная пара. |
| 7308 CDB | С = Необслуживаемые концы стержней, внутренняя резьба. |
| 7308 ADB | A = Модифицированная внутренняя конструкция. DB = два однорядных радиальных шарикоподшипника, однорядные радиально-упорные шарикоподшипники или однорядные конические роликовые подшипники, подходящие для монтажа в расположении друг к другу. |
| 7308 C-UD | С = Необслуживаемые концы стержней, внутренняя резьба. |
| 7308 C-UX | С = Необслуживаемые концы стержней, внутренняя резьба. |
| 7308 A-UD | A = внутренняя модификация конструкции. |
| 7308 B-UX | X = Внешние размеры, соответствующие международным стандартам. |
| 7308 C-UO | С = Необслуживаемые концы стержней, внутренняя резьба. |
| 7308-B-JP | B = однокомпонентное ребристое внутреннее кольцо. |
| 7308B-2RS | Резиновые уплотнения с каждой стороны подшипника. |
| 7308 B-UD | D = профиль наружного кольца, усовершенствованный, с увеличенной зоной несущей нагрузки и оптимизированными краевыми переходами. |
| 7308 A-UX | A = внутренняя модификация конструкции. |
| 7308 B-UO | B = однокомпонентное ребристое внутреннее кольцо. |
| 7308 A-UO | A = внутренняя модификация конструкции. |
| 7308 BEGBP | G = Однорядный радиально-упорный шарикоподшипник для универсального парного монтажа. Два подшипника, установленные по 0-образной или Х-образной схеме, будут иметь определенный осевой зазор в домонтажном состоянии. |
| 7308-BE-MP | Радиально-упорный шарикоподшипник с углом контакта 40. Оптимизированная внутренняя конструкция. Обработанный латунный сепаратор центрируемый по шарику. |
| 7308 BECAP | ECA (тип сегмента клетки, код M) = усиленный роликовый каркас, цельный латунный сепаратор с механической обработкой, двойной зуб, удерживающие фланцы на внутреннем кольце, направляющее кольцо по центру на внутреннем кольце. |
| 7308 BEGAM | A = внутренняя модификация конструкции. |
| 7308 BEGBY | Y = Штампованный латунный сепаратор, центрируемый по телам качения. |
| 7308 BECBY | ЕС = эксцентриковый фиксатор воротника с утопленным внутренним кольцом на одной стороне. |
| 7308 BECBM | B = 40 градусов угол контакта. M = обработанный латунный сепаратор, расположенныйна элементах качения. |
| 7308 BEGAP | Радиально-упорный шарикоподшипник с углом контакта 40. Оптимизированная внутренняя конструкция. Подшипник для универсального сопряжения. Два подшипника, расположенных вплотную друг к другу или лицом к лицу, имеют небольшой предварительный натяг. Сепаратор армирован стекловолокном. |
| 7308 BECBP | ЕС = эксцентриковый фиксатор воротника с утопленным внутренним кольцом на одной стороне. |
| 7308 BEGBM | B = 40 градусов угол контакта. M = обработанный латунный сепаратор, расположенныйна элементах качения. |
| 7308 BECBJ | BE = однорядный радиально-упорный шарикоподшипник с углом контакта 40 градусов и оптимизированной внутренней конструкцией. CB = подшипник для универсального соответствия. Два подшипника, расположенные друг за другом или лицом к лицу, будут иметь нормальный осевой внутренний зазор перед монтажом. J = Прессованный стальной сепаратор оконного типа, сферическая по центру. |
| 7308-B-TVP | TVP = сегментный сепаратор, изготовленный из армированного стекловолокном полиамида PA66 направленная по роликам. |
| 7308BEGAPH | Однорядный радиально-упорный шарикоподшипник с углом контакта - 40. Оптимизирована внутренняя конструкция. Подшипник для универсального сопряжения, по схеме спина к спине или лицо к лицу, перед монтажом будут иметь предварительный натяг. Сепаратор оконного типа, отлитый под давлением из PEEK, с центрированием по шарику. |
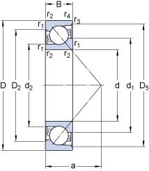
Габаритные размеры
Размеры и геометрические характеристики
Нагрузка и ресурс
Коэффициенты для расчета
Присоединительные размеры
Прочие характеристики
Однорядный цилиндрический роликовый подшипник NJ308 ECJ (FAG, SKF)
Однорядный цилиндрический роликоподшипник NJ308 ECM (FAG, SKF)
Однорядный цилиндрический роликовый подшипник NUP308 ECP (FAG, SKF)
Подшипник однорядный шариковый радиальный 6308-2RZ (ISB, SKF)
Подшипник однорядный шариковый радиальный 6308-2Z/VA201 (SKF)
Однорядный полимерный подшипник 6308/HR22Q2 (SKF)