Главная > Подшипники> Шариковые> Радиально-упорные>7308-B-2RS-TVP

7308-B-2RS-TVP — Подшипник шариковый однорядный радиально-упорный, импортное производство по ISO стандарту, размер 40x90x23 номер основного исполнения 7308.
Производитель: FAG.
2RS = резиновые уплотнения с каждой стороны подшипника. Т = TVH = сепаратор из полиамида .
Цена от:1 010 р.
Цена на подшипник зависит от:
| Обозначение | Модификация |
|---|---|
| 7308 | Основное конструктивное исполнение. |
| 7308DB | D = профиль наружного кольца, усовершенствованный, с увеличенной зоной несущей нагрузки и оптимизированными краевыми переходами. |
| 7308 C | С = Необслуживаемые концы стержней, внутренняя резьба. |
| 7308AC | AC = Угол контакта 25 градусов. |
| 7308 A | A = внутренняя модификация конструкции. |
| 7308BA | A = внутренняя модификация конструкции. |
| 7308DF | Комплект подшипников расположенных лицом к лицу, дуплексная Х-образная пара. |
| 7308 B | B = однокомпонентное ребристое внутреннее кольцо. |
| 7308WN | W = Без кольцевой канавки и смазочных отверстий в наружном кольце. |
| 7308DT | T = Механически обработанный сепаратор из текстолита, центрируемый по телам качения. |
| S7308B | B = однокомпонентное ребристое внутреннее кольцо. |
| 7308BG | B = 40 градусов угол контакта. G = Однорядный радиально-упорный шарикоподшипник для универсального парного монтажа. Два подшипника, установленные по 0-образной или Х-образной схеме, будут иметь определенный осевой зазор в домонтажном состоянии. |
| 7308BGA | B = 40 градусов угол контакта. G = Однорядный радиально-упорный шарикоподшипник для универсального парного монтажа. Два подшипника, установленные по 0-образной или Х-образной схеме, будут иметь определенный осевой зазор в домонтажном состоянии. |
| 7308CP5 | P5 = Подшипники 5-го класса точности DIN |
| 7308BEA | A = внутренняя модификация конструкции. |
| 7308BGM | B = 40 градусов угол контакта. G = Однорядный радиально-упорный шарикоподшипник для универсального парного монтажа. Два подшипника, установленные по 0-образной или Х-образной схеме, будут иметь определенный осевой зазор в домонтажном состоянии. |
| 7308 BEP | Радиально-упорный шарикоподшипник с угол контакта - 40. Оптимизированная внутренняя конструкция. Сепаратор армирован стекловолокном с шаровым центром. |
| 7308 BDT | BD = Модифицированная внутренняя конструкция, угол контакта α = 30 градусов, без отверстия для заполнения. |
| 7308 BDB | B = 40 градусов угол контакта. DB = два однорядных радиальных шарикоподшипника, однорядные радиально-упорные шарикоподшипники или однорядные конические роликовые подшипники, подходящие для монтажа в расположении друг за другом. |
| 7308 ADT | T = Механически обработанный сепаратор из текстолита, центрируемый по телам качения. |
| 7308 CDT | С = Необслуживаемые концы стержней, внутренняя резьба. |
| 7308 CDF | Комплект подшипников расположенных лицом к лицу, дуплексная Х-образная пара. |
| 7308 CDB | С = Необслуживаемые концы стержней, внутренняя резьба. |
| 7308 ADB | A = Модифицированная внутренняя конструкция. DB = два однорядных радиальных шарикоподшипника, однорядные радиально-упорные шарикоподшипники или однорядные конические роликовые подшипники, подходящие для монтажа в расположении друг к другу. |
| 7308 ADF | Комплект подшипников расположенных лицом к лицу, дуплексная Х-образная пара. |
| 7308 BDF | B = 40 градусов угол контакта. DF = Два однорядных радиальных шарикоподшипника, однорядных радиально-упорных шарикоподшипника или однорядных конических роликоподшипника, согласованные для монтажа по Х-образной схеме. |
| 7308 C-UD | С = Необслуживаемые концы стержней, внутренняя резьба. |
| 7308 C-UX | С = Необслуживаемые концы стержней, внутренняя резьба. |
| 7308 A-UD | A = внутренняя модификация конструкции. |
| 7308 B-UX | X = Внешние размеры, соответствующие международным стандартам. |
| 7308 C-UO | С = Необслуживаемые концы стержней, внутренняя резьба. |
| 7308-B-JP | B = однокомпонентное ребристое внутреннее кольцо. |
| 7308B-2RS | Резиновые уплотнения с каждой стороны подшипника. |
| 7308 B-UD | D = профиль наружного кольца, усовершенствованный, с увеличенной зоной несущей нагрузки и оптимизированными краевыми переходами. |
| 7308 A-UX | A = внутренняя модификация конструкции. |
| 7308 B-UO | B = однокомпонентное ребристое внутреннее кольцо. |
| 7308 A-UO | A = внутренняя модификация конструкции. |
| 7308-BE-MP | Радиально-упорный шарикоподшипник с углом контакта 40. Оптимизированная внутренняя конструкция. Обработанный латунный сепаратор центрируемый по шарику. |
| 7308 BECAP | ECA (тип сегмента клетки, код M) = усиленный роликовый каркас, цельный латунный сепаратор с механической обработкой, двойной зуб, удерживающие фланцы на внутреннем кольце, направляющее кольцо по центру на внутреннем кольце. |
| 7308 BEGAM | A = внутренняя модификация конструкции. |
| 7308 BEGBY | Y = Штампованный латунный сепаратор, центрируемый по телам качения. |
| 7308 BECBM | B = 40 градусов угол контакта. M = обработанный латунный сепаратор, расположенныйна элементах качения. |
| 7308 BECBY | ЕС = эксцентриковый фиксатор воротника с утопленным внутренним кольцом на одной стороне. |
| 7308 BECBP | ЕС = эксцентриковый фиксатор воротника с утопленным внутренним кольцом на одной стороне. |
| 7308 BEGAP | Радиально-упорный шарикоподшипник с углом контакта 40. Оптимизированная внутренняя конструкция. Подшипник для универсального сопряжения. Два подшипника, расположенных вплотную друг к другу или лицом к лицу, имеют небольшой предварительный натяг. Сепаратор армирован стекловолокном. |
| 7308 BEGBM | B = 40 градусов угол контакта. M = обработанный латунный сепаратор, расположенныйна элементах качения. |
| 7308 BECBJ | BE = однорядный радиально-упорный шарикоподшипник с углом контакта 40 градусов и оптимизированной внутренней конструкцией. CB = подшипник для универсального соответствия. Два подшипника, расположенные друг за другом или лицом к лицу, будут иметь нормальный осевой внутренний зазор перед монтажом. J = Прессованный стальной сепаратор оконного типа, сферическая по центру. |
| 7308-B-TVP | TVP = сегментный сепаратор, изготовленный из армированного стекловолокном полиамида PA66 направленная по роликам. |
| 7308BEGAPH | Однорядный радиально-упорный шарикоподшипник с углом контакта - 40. Оптимизирована внутренняя конструкция. Подшипник для универсального сопряжения, по схеме спина к спине или лицо к лицу, перед монтажом будут иметь предварительный натяг. Сепаратор оконного типа, отлитый под давлением из PEEK, с центрированием по шарику. |
| 7308 BEGBP | G = Однорядный радиально-упорный шарикоподшипник для универсального парного монтажа. Два подшипника, установленные по 0-образной или Х-образной схеме, будут иметь определенный осевой зазор в домонтажном состоянии. |
| Техника | Модель | Агрегат |
|---|---|---|
| Платформа-подборщик копнитель | ПК-1.6А | Редуктор главный |
| Копатель кормовых корнеплодов грохотный | ККГ-1.4 | Редуктор/привод коробов |
| Трактор | ЛХТ-55 | Устройство погрузочное |
| Трактор | ТДТ-55 | Устройство погрузочное |
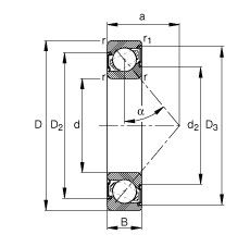
Габаритные размеры
Размеры и геометрические характеристики
Нагрузка и ресурс
Присоединительные размеры
Прочие характеристики
Однорядный цилиндрический роликовый подшипник NU308 (CRAFT, FAG, FBJ, ISB, ISO)
Однорядный цилиндрический роликовый подшипник NJ308 (CRAFT, CYSD, FAG, FBJ, ISB)
Подшипник шариковый радиальный 6-308
Подшипник шариковый радиальный 4-308 (ГПЗ-8)
Подшипник роликовый сферический 20308 (FAG, ISO, SIGMA)
Подшипник роликовый сферический 21308 (ISB, SKF)