Главная > Однорядные >7304 B.2RSR.TVH

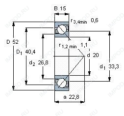
7304 B.2RSR.TVH — импортное производство по ISO стандарту, размер 20x52x15 номер основного исполнения 7304.
Производитель: FAG.
2RSR = Резиновые уплотнения с каждой стороны подшипника.
Цена от:664 р.
Цена на подшипник зависит от:
| Обозначение | Модификация |
|---|---|
| 7304 | Основное конструктивное исполнение. |
| 7304B | B = однокомпонентное ребристое внутреннее кольцо. |
| S7304B | B = однокомпонентное ребристое внутреннее кольцо. |
| 7304DB | D = профиль наружного кольца, усовершенствованный, с увеличенной зоной несущей нагрузки и оптимизированными краевыми переходами. |
| 7304DF | Комплект подшипников расположенных лицом к лицу, дуплексная Х-образная пара. |
| 7304DT | T = Механически обработанный сепаратор из текстолита, центрируемый по телам качения. |
| 7304WN | W = Без кольцевой канавки и смазочных отверстий в наружном кольце. |
| 7304BG | B = 40 градусов угол контакта. G = Однорядный радиально-упорный шарикоподшипник для универсального парного монтажа. Два подшипника, установленные по 0-образной или Х-образной схеме, будут иметь определенный осевой зазор в домонтажном состоянии. |
| 6-7304 | |
| 7304 A | A = внутренняя модификация конструкции. |
| 7304 C | С = Необслуживаемые концы стержней, внутренняя резьба. |
| 7304BDB | B = 40 градусов угол контакта. DB = два однорядных радиальных шарикоподшипника, однорядные радиально-упорные шарикоподшипники или однорядные конические роликовые подшипники, подходящие для монтажа в расположении друг за другом. |
| 7304CDF | Комплект подшипников расположенных лицом к лицу, дуплексная Х-образная пара. |
| 7304BDT | BD = Модифицированная внутренняя конструкция, угол контакта α = 30 градусов, без отверстия для заполнения. |
| 7304CDT | С = Необслуживаемые концы стержней, внутренняя резьба. |
| 7304BGA | B = 40 градусов угол контакта. G = Однорядный радиально-упорный шарикоподшипник для универсального парного монтажа. Два подшипника, установленные по 0-образной или Х-образной схеме, будут иметь определенный осевой зазор в домонтажном состоянии. |
| 7304BDF | B = 40 градусов угол контакта. DF = Два однорядных радиальных шарикоподшипника, однорядных радиально-упорных шарикоподшипника или однорядных конических роликоподшипника, согласованные для монтажа по Х-образной схеме. |
| 7304BEA | A = внутренняя модификация конструкции. |
| 7304 CDB | С = Необслуживаемые концы стержней, внутренняя резьба. |
| 7304 BEP | Радиально-упорный шарикоподшипник с угол контакта - 40. Оптимизированная внутренняя конструкция. Сепаратор армирован стекловолокном с шаровым центром. |
| 7304 ADF | Комплект подшипников расположенных лицом к лицу, дуплексная Х-образная пара. |
| 7304 ADB | A = Модифицированная внутренняя конструкция. DB = два однорядных радиальных шарикоподшипника, однорядные радиально-упорные шарикоподшипники или однорядные конические роликовые подшипники, подходящие для монтажа в расположении друг к другу. |
| 7304 ADT | T = Механически обработанный сепаратор из текстолита, центрируемый по телам качения. |
| 7304 B-UD | D = профиль наружного кольца, усовершенствованный, с увеличенной зоной несущей нагрузки и оптимизированными краевыми переходами. |
| 7304 C-UO | С = Необслуживаемые концы стержней, внутренняя резьба. |
| 7304 B-UX | X = Внешние размеры, соответствующие международным стандартам. |
| 7304 B.JP | B = однокомпонентное ребристое внутреннее кольцо. |
| 7304 C-UX | С = Необслуживаемые концы стержней, внутренняя резьба. |
| 7304 C-UD | С = Необслуживаемые концы стержней, внутренняя резьба. |
| 7304 B-UO | B = однокомпонентное ребристое внутреннее кольцо. |
| 7304 A-UO | A = внутренняя модификация конструкции. |
| 7304 A-UD | A = внутренняя модификация конструкции. |
| 7304B-2RS | Резиновые уплотнения с каждой стороны подшипника. |
| 7304 A-UX | A = внутренняя модификация конструкции. |
| 7304-B-TVP | TVP = сегментный сепаратор, изготовленный из армированного стекловолокном полиамида PA66 направленная по роликам. |
| 7304 BECBY | ЕС = эксцентриковый фиксатор воротника с утопленным внутренним кольцом на одной стороне. |
| 7304 BECBM | B = 40 градусов угол контакта. M = обработанный латунный сепаратор, расположенныйна элементах качения. |
| 7304 BECBP | ЕС = эксцентриковый фиксатор воротника с утопленным внутренним кольцом на одной стороне. |
| 7304-BE-MP | Радиально-упорный шарикоподшипник с углом контакта 40. Оптимизированная внутренняя конструкция. Обработанный латунный сепаратор центрируемый по шарику. |
| 7304 BEGBP | G = Однорядный радиально-упорный шарикоподшипник для универсального парного монтажа. Два подшипника, установленные по 0-образной или Х-образной схеме, будут иметь определенный осевой зазор в домонтажном состоянии. |
| 7304-BE-TVP | E = Увеличенная грузоподъемность. TVP = (сегментная сепаратор, код P) = сплошная оконная сепаратор из армированного стекловолокном полиамида PA66. Катание на роликах. |
| 7304 BECBPH | ЕС = эксцентриковый фиксатор воротника с утопленным внутренним кольцом на одной стороне. |
| 7304 B.JP.UA | B = 40 градусов угол контакта. JP = Прессованная стальная клеть, направляемая катящимся элементом. UA = универсальный монтаж, с конфигурациями O и X Подшипниковая пара имеет небольшой осевой зазор. |
| 7304-BECB-MP | B = 40 градусов угол контакта. M = обработанный латунный сепаратор, расположенныйна элементах качения. |
| 7304CGD2/GNP4 | GN = нормальная предварительная нагрузка. P = Литой сепаратор из стеклонаполненного полиамида 6,6, центрируемый по телам качения. |
| 7304 B.TVP.UA | TVP = сегментный сепаратор, изготовленный из армированного стекловолокном полиамида PA66 направленная по роликам. |
| 7304-BECB-TVP | TVP = сегментный сепаратор, изготовленный из армированного стекловолокном полиамида PA66 направленная по роликам. |
| 7304-B-2RS-TVP | 2RS = резиновые уплотнения с каждой стороны подшипника. Т = TVH = сепаратор из полиамида . |
| 7304 B.TVP.P5.UL | TVP = сегментный сепаратор, изготовленный из армированного стекловолокном полиамида PA66 направленная по роликам. |
| 7304 B.TVP.P5.UO | TVP = сегментный сепаратор, изготовленный из армированного стекловолокном полиамида PA66 направленная по роликам. |
| Техника | Модель | Агрегат |
|---|---|---|
| Трактор | Т-012 | Ступица передних колес |
Однорядный цилиндрический роликовый подшипник NU304 (FBJ, IBC, ISB, ISO, KOYO)
Однорядный цилиндрический роликовый подшипник NJ304 (FAG, FBJ, ISB, ISO, KOYO)
Подшипник шариковый радиальный 6-304 (ГПЗ-2)
Подшипник роликовый радиальный самоцентрирующийся 20-304 (ISO, SIGMA)
Подшипник шариковый радиальный сферический двухрядный с цилиндрическим отверстием внутреннего кольца 1304
Подшипник шариковый радиальный однорядный 304