Главная > Подшипники> Шариковые> Радиально-упорные>7280 BM

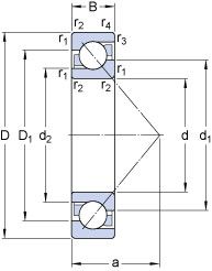
7280 BM — однорядный радиально-упорный шарикоподшипник, импортное производство по ISO стандарту, размер 720x400x103 номер основного исполнения .
Производитель: SKF.
B = 40 градусов угол контакта. M = обработанный латунный сепаратор, расположенныйна элементах качения.
Цена по запросу
Цена на подшипник зависит от:
Габаритные размеры
Размеры и геометрические характеристики
Нагрузка и ресурс
Коэффициенты для расчета
Присоединительные размеры
Прочие характеристики