Главная > Подшипники> Шариковые> Радиально-упорные>7268 BGM

7268 BGM — однорядный радиально-упорный шарикоподшипник, импортное производство по ISO стандарту, размер 620x340x92 номер основного исполнения 7268.
Производитель: SKF.
B = 40 градусов угол контакта. G = Однорядный радиально-упорный шарикоподшипник для универсального парного монтажа. Два подшипника, установленные по 0-образной или Х-образной схеме, будут иметь определенный осевой зазор в домонтажном состоянии.
Цена по запросу
Цена на подшипник зависит от:
Габаритные размеры
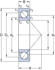
Размеры и геометрические характеристики
Нагрузка и ресурс
Коэффициенты для расчета
Присоединительные размеры
Прочие характеристики