Главная > Подшипники> Шариковые> Радиально-упорные>7260 BCBM

7260 BCBM — однорядный радиально-упорный шарикоподшипник, импортное производство по ISO стандарту, размер 540x300x85 номер основного исполнения 7260.
Производитель: SKF.
B = 40 градусов угол контакта. CB = подшипник для универсального соответствия. Два подшипника, расположенные друг за другом или лицом к лицу, будут иметь нормальный осевой внутренний зазор перед монтажом.
Цена по запросу
Цена на подшипник зависит от:
| Обозначение | Модификация |
|---|---|
| 7260 | Основное конструктивное исполнение. |
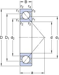
Габаритные размеры
Размеры и геометрические характеристики
Нагрузка и ресурс
Коэффициенты для расчета
Присоединительные размеры
Прочие характеристики
Однорядный цилиндрический роликоподшипник NU 260 M (SKF)
Однорядный цилиндрический роликоподшипник NU 260 MA (SKF)