Главная > Подшипники> Шариковые> Радиально-упорные>725C

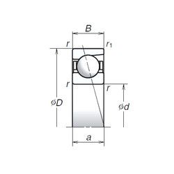
725C — Радиально-упорный шарикоподшипник, импортное производство по ISO стандарту, размер 5x16x5 номер основного исполнения .
Производитель: NSK.
С = Необслуживаемые концы стержней, внутренняя резьба.
Цена по запросу
Цена на подшипник зависит от:
| Техника | Модель | Агрегат |
|---|---|---|
| Трактор | Т-151К с двигателем СМД-62-63 | Двигатель/рычаг основной регулятора насоса топливного |
| Трактор | Т-150К | Двигатель/шестерня промежуточная насоса топливного |
| Трактор | Т-150 | Двигатель/шестерня промежуточная насоса топливного |
Габаритные размеры
Размеры и геометрические характеристики
Нагрузка и ресурс
Защита
Присоединительные размеры
Конструкция и исполнение
Подшипник шариковый радиальный 6-25
Подшипник однорядный шариковый радиальный 6005 (FAG, NIS)
Подшипник шариковый радиальный однорядный с одной защитной шайбой 60025
Подшипник однорядный шариковый радиальный 625 2Z.C3 (FAG)
Подшипник однорядный шариковый радиальный 625 (CRAFT, CX, FAG, FBJ, ISB)
Подшипник однорядный шариковый радиальный 625 2RS1 (FAG)