Главная > Подшипники> Шариковые> Радиально-упорные>7256A

7256A — Радиально-упорный шарикоподшипник, импортное производство по ISO стандарту, размер 280x500x80 номер основного исполнения 7256.
Производитель: NSK.
A = внутренняя модификация конструкции.
Цена от:227 192 р.
Цена на подшипник зависит от:
| Обозначение | Модификация |
|---|---|
| 7256 | Основное конструктивное исполнение. |
| 7256B | B = однокомпонентное ребристое внутреннее кольцо. |
| 7256DB | D = профиль наружного кольца, усовершенствованный, с увеличенной зоной несущей нагрузки и оптимизированными краевыми переходами. |
| 7256 BM | B = 40 градусов угол контакта. M = обработанный латунный сепаратор, расположенныйна элементах качения. |
| 7256DBP4 | P4 = Точность размеров и вращения соответствуют классу точности 4 ISO. |
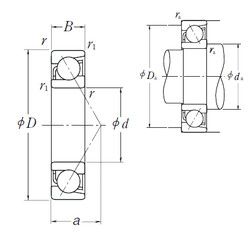
Габаритные размеры
Размеры и геометрические характеристики
Нагрузка и ресурс
Защита
Присоединительные размеры
Конструкция и исполнение
Цилиндрический роликоподшипник NU256 (ISB, ISO, KOYO, NACHI, NSK)
Подшипник шариковый радиальный однорядный 256
Подшипник роликовый радиальный с короткими цилиндрическими роликами без бортов на наружном кольце 2256
Подшипник роликовый радиальный с короткими цилиндрическими роликами с однобортовым внутренним кольцом 42256
Подшипник роликовый радиальный с короткими цилиндрическими роликами с однобортовым внутренним кольцом и с плоским упорным кольцом 92256
Подшипник шариковый радиально-упорный однорядный с разъемным наружным кольцом с четырехточечным контактом 116256