Главная > Подшипники> Шариковые> Радиально-упорные>7244BCBM

7244BCBM — Подшипник шариковый однорядный радиально-упорный, импортное производство по ISO стандарту, размер 220x400x65 номер основного исполнения 7244.
Производитель: SKF.
B = 40 градусов угол контакта. CB = подшипник для универсального соответствия. Два подшипника, расположенные друг за другом или лицом к лицу, будут иметь нормальный осевой внутренний зазор перед монтажом.
Цена от:102 441 р.
Цена на подшипник зависит от:
| Обозначение | Модификация |
|---|---|
| 7244 | Основное конструктивное исполнение. |
| 7244 B | B = однокомпонентное ребристое внутреннее кольцо. |
| 7244 A | A = внутренняя модификация конструкции. |
| 7244 C | С = Необслуживаемые концы стержней, внутренняя резьба. |
| 7244-B-MP | B = 40 градусов угол контакта. M = обработанный латунный сепаратор, расположенныйна элементах качения. |
| 7244 ATBP4 | ТВ = текстолитовый сепаратор, центрируемый по внутреннему кольцу. |
| 7244 CTBP4 | ТВ = текстолитовый сепаратор, центрируемый по внутреннему кольцу. |
| 7244-BCB-MP | B = 40 градусов угол контакта. CB = подшипник для универсального соответствия. Два подшипника, расположенные друг за другом или лицом к лицу, будут иметь нормальный осевой внутренний зазор перед монтажом. |
| 7244 B.MP.UA | B = 40 градусов угол контакта. MP = Цельный латунный сепаратор оконного типа с штампованными или протянутыми карманами, центрируемый по внутреннему или наружному кольцу. U = Самоустанавливающиеся шарикоподшипники серий 115 и 116 без втулки. A = Модифицированная внутренняя конструкция. |
| B7244-E-T-P4S | E = (AC-SKF) = 25 градусов угол контакта. T = (сегмент TB-Cage) = текстильная слоистая Фенольный смола, направленная по наружному кольцу. сепаратор подходит для длительной эксплуатации при температуре до 100 градусов C. P = Литой сепаратор из стеклонаполненного полиамида 6,6, центрируемый по телам качения. |
| B7244-C-T-P4S | T = Нейлоновая клетка, армированная стекловолокном (радиальные роликовые подшипники). P = Литой сепаратор из стеклонаполненного полиамида 6,6, центрируемый по телам качения. |
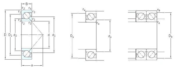
Габаритные размеры
Размеры и геометрические характеристики
Нагрузка и ресурс
Защита
Присоединительные размеры
Конструкция и исполнение
Однорядный цилиндрический роликовый подшипник NU244 (FAG, ISB, ISO, KOYO, NACHI)
Однорядный цилиндрический роликовый подшипник NJ244 (FAG, ISB, ISO, KOYO, NACHI)
Однорядный цилиндрический роликовый подшипник NUP244 (FAG, ISB, ISO, KOYO, NACHI)
Подшипник роликовый радиальный с короткими цилиндрическими роликами с однобортовым внутренним кольцом 42244
Однорядный цилиндрический роликовый подшипник NU244 E.M1 (FAG)
Однорядный цилиндрический роликовый подшипник NU244 E.M1.C3 (FAG)