Главная > Однорядные >7238 B.MP.UA

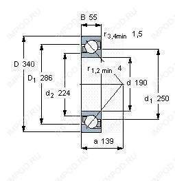
7238 B.MP.UA — Подшипник шариковый однорядный радиально-упорный, импортное производство по ISO стандарту, размер 190x340x55 номер основного исполнения 7238.
Производитель: FAG.
B = 40 градусов угол контакта. MP = Цельный латунный сепаратор оконного типа с штампованными или протянутыми карманами, центрируемый по внутреннему или наружному кольцу. U = Самоустанавливающиеся шарикоподшипники серий 115 и 116 без втулки. A = Модифицированная внутренняя конструкция.
Цена от:63 489 р.
Цена на подшипник зависит от:
| Обозначение | Модификация |
|---|---|
| 7238 | Основное конструктивное исполнение. |
| 7238C | С = Необслуживаемые концы стержней, внутренняя резьба. |
| 7238DB | D = профиль наружного кольца, усовершенствованный, с увеличенной зоной несущей нагрузки и оптимизированными краевыми переходами. |
| 7238DT | T = Механически обработанный сепаратор из текстолита, центрируемый по телам качения. |
| 7238AC | AC = Угол контакта 25 градусов. |
| 7238 A | A = внутренняя модификация конструкции. |
| 7238 B | B = однокомпонентное ребристое внутреннее кольцо. |
| 7238BG | B = 40 градусов угол контакта. G = Однорядный радиально-упорный шарикоподшипник для универсального парного монтажа. Два подшипника, установленные по 0-образной или Х-образной схеме, будут иметь определенный осевой зазор в домонтажном состоянии. |
| 7238DF | Комплект подшипников расположенных лицом к лицу, дуплексная Х-образная пара. |
| 7238BDF | B = 40 градусов угол контакта. DF = Два однорядных радиальных шарикоподшипника, однорядных радиально-упорных шарикоподшипника или однорядных конических роликоподшипника, согласованные для монтажа по Х-образной схеме. |
| 7238CPA | С = Необслуживаемые концы стержней, внутренняя резьба. |
| 7238BDB | B = 40 градусов угол контакта. DB = два однорядных радиальных шарикоподшипника, однорядные радиально-упорные шарикоподшипники или однорядные конические роликовые подшипники, подходящие для монтажа в расположении друг за другом. |
| 7238CP5 | P5 = Подшипники 5-го класса точности DIN |
| 7238 BDT | BD = Модифицированная внутренняя конструкция, угол контакта α = 30 градусов, без отверстия для заполнения. |
| 7238 CDB | С = Необслуживаемые концы стержней, внутренняя резьба. |
| 7238 CDT | С = Необслуживаемые концы стержней, внутренняя резьба. |
| 7238 CDF | Комплект подшипников расположенных лицом к лицу, дуплексная Х-образная пара. |
| 7238 ADB | A = Модифицированная внутренняя конструкция. DB = два однорядных радиальных шарикоподшипника, однорядные радиально-упорные шарикоподшипники или однорядные конические роликовые подшипники, подходящие для монтажа в расположении друг к другу. |
| 7238 ADT | T = Механически обработанный сепаратор из текстолита, центрируемый по телам качения. |
| 7238 ADF | Комплект подшипников расположенных лицом к лицу, дуплексная Х-образная пара. |
| 7238 B-UO | B = однокомпонентное ребристое внутреннее кольцо. |
| 7238 B-UD | D = профиль наружного кольца, усовершенствованный, с увеличенной зоной несущей нагрузки и оптимизированными краевыми переходами. |
| 7238 BCBM | B = 40 градусов угол контакта. CB = подшипник для универсального соответствия. Два подшипника, расположенные друг за другом или лицом к лицу, будут иметь нормальный осевой внутренний зазор перед монтажом. |
| 7238 C-UD | С = Необслуживаемые концы стержней, внутренняя резьба. |
| 7238 B-UX | X = Внешние размеры, соответствующие международным стандартам. |
| 7238 C-UO | С = Необслуживаемые концы стержней, внутренняя резьба. |
| 7238-B-MP | B = 40 градусов угол контакта. M = обработанный латунный сепаратор, расположенныйна элементах качения. |
| 7238 C-UX | С = Необслуживаемые концы стержней, внутренняя резьба. |
| 7238 A-UD | A = внутренняя модификация конструкции. |
| 7238 A-UO | A = внутренняя модификация конструкции. |
| 7238 A-UX | A = внутренняя модификация конструкции. |
| 7238 CTBP4 | ТВ = текстолитовый сепаратор, центрируемый по внутреннему кольцу. |
| 7238 ATBP4 | ТВ = текстолитовый сепаратор, центрируемый по внутреннему кольцу. |
| 7238-BCB-MP | B = 40 градусов угол контакта. CB = подшипник для универсального соответствия. Два подшипника, расположенные друг за другом или лицом к лицу, будут иметь нормальный осевой внутренний зазор перед монтажом. |
| B7238-E-T-P4S | E = (AC-SKF) = 25 градусов угол контакта. T = (сегмент TB-Cage) = текстильная слоистая Фенольный смола, направленная по наружному кольцу. сепаратор подходит для длительной эксплуатации при температуре до 100 градусов C. P = Литой сепаратор из стеклонаполненного полиамида 6,6, центрируемый по телам качения. |
| B7238-C-T-P4S | T = Нейлоновая клетка, армированная стекловолокном (радиальные роликовые подшипники). P = Литой сепаратор из стеклонаполненного полиамида 6,6, центрируемый по телам качения. |
Габаритные размеры
Конструкция и исполнение
Однорядный цилиндрический роликовый подшипник NU238 (CYSD, FAG, ISB, ISO, KOYO)
Однорядный цилиндрический роликовый подшипник NJ238 (CYSD, FAG, ISB, ISO, KOYO)
Однорядный цилиндрический роликовый подшипник NUP238 (CYSD, FAG, ISB, ISO, KOYO)
Подшипник однорядный шариковый радиальный 6238 (CX, FAG, ISO, KOYO, NACHI)
Подшипник для корпуса 238
Однорядный цилиндрический роликовый подшипник NU238 E.M1 (FAG)