Главная > Однорядные >7230 B.MP

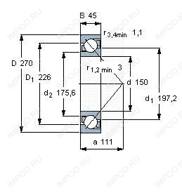
7230 B.MP — Подшипник шариковый однорядный радиально-упорный, импортное производство по ISO стандарту, размер 150x270x45 номер основного исполнения 7230.
Производится брендами: FAG, NKE.
B = 40 градусов угол контакта. M = обработанный латунный сепаратор, расположенныйна элементах качения.
Цена от:25 809 р.
Цена на подшипник зависит от:
| Обозначение | Модификация |
|---|---|
| 7230 | Основное конструктивное исполнение. |
| 7230C | С = Необслуживаемые концы стержней, внутренняя резьба. |
| 7230DB | D = профиль наружного кольца, усовершенствованный, с увеличенной зоной несущей нагрузки и оптимизированными краевыми переходами. |
| 7230AC | AC = Угол контакта 25 градусов. |
| 7230DT | T = Механически обработанный сепаратор из текстолита, центрируемый по телам качения. |
| 7230DF | Комплект подшипников расположенных лицом к лицу, дуплексная Х-образная пара. |
| 7230 B | B = однокомпонентное ребристое внутреннее кольцо. |
| 7230BG | B = 40 градусов угол контакта. G = Однорядный радиально-упорный шарикоподшипник для универсального парного монтажа. Два подшипника, установленные по 0-образной или Х-образной схеме, будут иметь определенный осевой зазор в домонтажном состоянии. |
| 7230 A | A = внутренняя модификация конструкции. |
| 7230BDT | BD = Модифицированная внутренняя конструкция, угол контакта α = 30 градусов, без отверстия для заполнения. |
| 7230BGM | B = 40 градусов угол контакта. G = Однорядный радиально-упорный шарикоподшипник для универсального парного монтажа. Два подшипника, установленные по 0-образной или Х-образной схеме, будут иметь определенный осевой зазор в домонтажном состоянии. |
| 7230CPA | С = Необслуживаемые концы стержней, внутренняя резьба. |
| 7230CP5 | P5 = Подшипники 5-го класса точности DIN |
| 7230 BDB | B = 40 градусов угол контакта. DB = два однорядных радиальных шарикоподшипника, однорядные радиально-упорные шарикоподшипники или однорядные конические роликовые подшипники, подходящие для монтажа в расположении друг за другом. |
| 7230 BDF | B = 40 градусов угол контакта. DF = Два однорядных радиальных шарикоподшипника, однорядных радиально-упорных шарикоподшипника или однорядных конических роликоподшипника, согласованные для монтажа по Х-образной схеме. |
| 7230 CDT | С = Необслуживаемые концы стержней, внутренняя резьба. |
| 7230 ADB | A = Модифицированная внутренняя конструкция. DB = два однорядных радиальных шарикоподшипника, однорядные радиально-упорные шарикоподшипники или однорядные конические роликовые подшипники, подходящие для монтажа в расположении друг к другу. |
| 7230 ADF | Комплект подшипников расположенных лицом к лицу, дуплексная Х-образная пара. |
| 7230 CDB | С = Необслуживаемые концы стержней, внутренняя резьба. |
| 7230 ADT | T = Механически обработанный сепаратор из текстолита, центрируемый по телам качения. |
| 7230 CDF | Комплект подшипников расположенных лицом к лицу, дуплексная Х-образная пара. |
| 7230CTRSU | С = Необслуживаемые концы стержней, внутренняя резьба. |
| 7230 BCBM | B = 40 градусов угол контакта. CB = подшипник для универсального соответствия. Два подшипника, расположенные друг за другом или лицом к лицу, будут иметь нормальный осевой внутренний зазор перед монтажом. |
| 7230 C-UO | С = Необслуживаемые концы стержней, внутренняя резьба. |
| 7230 BGAM | B = 40 градусов угол контакта. G = Однорядный радиально-упорный шарикоподшипник для универсального парного монтажа. Два подшипника, установленные по 0-образной или Х-образной схеме, будут иметь определенный осевой зазор в домонтажном состоянии. |
| 7230 B-UD | D = профиль наружного кольца, усовершенствованный, с увеличенной зоной несущей нагрузки и оптимизированными краевыми переходами. |
| 7230 B-UX | X = Внешние размеры, соответствующие международным стандартам. |
| 7230 C-UD | С = Необслуживаемые концы стержней, внутренняя резьба. |
| 7230 C-UX | С = Необслуживаемые концы стержней, внутренняя резьба. |
| 7230 B-UO | B = однокомпонентное ребристое внутреннее кольцо. |
| 7230 A-UX | A = внутренняя модификация конструкции. |
| 7230 A-UO | A = внутренняя модификация конструкции. |
| 7230 A-UD | A = внутренняя модификация конструкции. |
| 7230 CTBP4 | ТВ = текстолитовый сепаратор, центрируемый по внутреннему кольцу. |
| 7230 ATBP4 | ТВ = текстолитовый сепаратор, центрируемый по внутреннему кольцу. |
| 7230A5TRSU | Угол контакта 25 градусов. |
| 7230WN MBR | MB = Обработанный латунный сепаратор с внутренним кольцом. |
| 7230-BCB-MP | B = 40 градусов угол контакта. CB = подшипник для универсального соответствия. Два подшипника, расположенные друг за другом или лицом к лицу, будут иметь нормальный осевой внутренний зазор перед монтажом. |
| 7230 B.MP.UO | B = 40 градусов угол контакта. M = обработанный латунный сепаратор, расположенныйна элементах качения. |
| B7230-E-T-P4S | E = (AC-SKF) = 25 градусов угол контакта. T = (сегмент TB-Cage) = текстильная слоистая Фенольный смола, направленная по наружному кольцу. сепаратор подходит для длительной эксплуатации при температуре до 100 градусов C. P = Литой сепаратор из стеклонаполненного полиамида 6,6, центрируемый по телам качения. |
| B7230-C-T-P4S | T = Нейлоновая клетка, армированная стекловолокном (радиальные роликовые подшипники). P = Литой сепаратор из стеклонаполненного полиамида 6,6, центрируемый по телам качения. |
| HCB7230-C-T-P4S | T = Нейлоновая клетка, армированная стекловолокном (радиальные роликовые подшипники). P = Литой сепаратор из стеклонаполненного полиамида 6,6, центрируемый по телам качения. |
| HCB7230-E-T-P4S | E = (AC-SKF) = 25 градусов угол контакта. T = (сегмент TB-Cage) = текстильная слоистая Фенольный смола, направленная по наружному кольцу. сепаратор подходит для длительной эксплуатации при температуре до 100 градусов C. P = Литой сепаратор из стеклонаполненного полиамида 6,6, центрируемый по телам качения. |
Габаритные размеры
Размеры и геометрические характеристики
Нагрузка и ресурс
Защита
Присоединительные размеры
Конструкция и исполнение
Прочие характеристики
Однорядный цилиндрический роликовый подшипник NJ230 (CRAFT, CYSD, FAG, ISB, ISO)
Однорядный цилиндрический роликовый подшипник NU230 (CRAFT, CYSD, FAG, ISB, ISO)
Подшипник однорядный шариковый радиальный 6-230 (CRAFT, CX, CYSD, FAG, ISB)
Подшипник роликовый сферический 20230 (FAG, ISO)
Подшипник роликовый радиальный с короткими цилиндрическими роликами с однобортовым внутренним кольцом и с плоским упорным кольцом 92230
Однорядный цилиндрический роликовый подшипник N230 E.M1.C3 (FAG)