Главная > Однорядные >7228 B

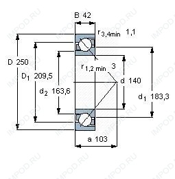
7228 B — Подшипник шариковый однорядный радиально-упорный, импортное производство по ISO стандарту, размер 140x250x42 номер основного исполнения 7228.
Производится брендами: CX, CYSD, ISB, ISO, KOYO, NACHI, NIS, NSK, NTN.
B = однокомпонентное ребристое внутреннее кольцо.
Цена от:14 507 р.
Цена на подшипник зависит от:
| Обозначение | Модификация |
|---|---|
| 7228 | Основное конструктивное исполнение. |
| B7228 | |
| 7228C | С = Необслуживаемые концы стержней, внутренняя резьба. |
| 7228DB | D = профиль наружного кольца, усовершенствованный, с увеличенной зоной несущей нагрузки и оптимизированными краевыми переходами. |
| 7228 A | A = внутренняя модификация конструкции. |
| 7228BG | B = 40 градусов угол контакта. G = Однорядный радиально-упорный шарикоподшипник для универсального парного монтажа. Два подшипника, установленные по 0-образной или Х-образной схеме, будут иметь определенный осевой зазор в домонтажном состоянии. |
| 7228DT | T = Механически обработанный сепаратор из текстолита, центрируемый по телам качения. |
| 7228DF | Комплект подшипников расположенных лицом к лицу, дуплексная Х-образная пара. |
| 7228CPA | С = Необслуживаемые концы стержней, внутренняя резьба. |
| 7228DFT | Комплект подшипников расположенных лицом к лицу, дуплексная Х-образная пара. |
| 7228 BM | B = 40 градусов угол контакта. M = обработанный латунный сепаратор, расположенныйна элементах качения. |
| 7228CDB | С = Необслуживаемые концы стержней, внутренняя резьба. |
| 7228BGM | B = 40 градусов угол контакта. G = Однорядный радиально-упорный шарикоподшипник для универсального парного монтажа. Два подшипника, установленные по 0-образной или Х-образной схеме, будут иметь определенный осевой зазор в домонтажном состоянии. |
| 7228CP5 | P5 = Подшипники 5-го класса точности DIN |
| 7228CDT | С = Необслуживаемые концы стержней, внутренняя резьба. |
| 7228 CDF | Комплект подшипников расположенных лицом к лицу, дуплексная Х-образная пара. |
| 7228 BDB | B = 40 градусов угол контакта. DB = два однорядных радиальных шарикоподшипника, однорядные радиально-упорные шарикоподшипники или однорядные конические роликовые подшипники, подходящие для монтажа в расположении друг за другом. |
| 7228 ADB | A = Модифицированная внутренняя конструкция. DB = два однорядных радиальных шарикоподшипника, однорядные радиально-упорные шарикоподшипники или однорядные конические роликовые подшипники, подходящие для монтажа в расположении друг к другу. |
| 7228 ADF | Комплект подшипников расположенных лицом к лицу, дуплексная Х-образная пара. |
| 7228 ADT | T = Механически обработанный сепаратор из текстолита, центрируемый по телам качения. |
| 7228 BDT | BD = Модифицированная внутренняя конструкция, угол контакта α = 30 градусов, без отверстия для заполнения. |
| 7228 BMP | B = 40 градусов угол контакта. M = обработанный латунный сепаратор, расположенныйна элементах качения. |
| 7228 BDF | B = 40 градусов угол контакта. DF = Два однорядных радиальных шарикоподшипника, однорядных радиально-упорных шарикоподшипника или однорядных конических роликоподшипника, согласованные для монтажа по Х-образной схеме. |
| 7228CTRSU | С = Необслуживаемые концы стержней, внутренняя резьба. |
| 7228 BCBM | B = 40 градусов угол контакта. CB = подшипник для универсального соответствия. Два подшипника, расположенные друг за другом или лицом к лицу, будут иметь нормальный осевой внутренний зазор перед монтажом. |
| 7228 C-UO | С = Необслуживаемые концы стержней, внутренняя резьба. |
| 7228 BGAM | B = 40 градусов угол контакта. G = Однорядный радиально-упорный шарикоподшипник для универсального парного монтажа. Два подшипника, установленные по 0-образной или Х-образной схеме, будут иметь определенный осевой зазор в домонтажном состоянии. |
| 7228 C-UD | С = Необслуживаемые концы стержней, внутренняя резьба. |
| 7228 A-UO | A = внутренняя модификация конструкции. |
| 7228 B-UD | D = профиль наружного кольца, усовершенствованный, с увеличенной зоной несущей нагрузки и оптимизированными краевыми переходами. |
| 7228 A-UX | A = внутренняя модификация конструкции. |
| 7228 A-UD | A = внутренняя модификация конструкции. |
| 7228 B-UO | B = однокомпонентное ребристое внутреннее кольцо. |
| 7228 B-UX | X = Внешние размеры, соответствующие международным стандартам. |
| 7228 C-UX | С = Необслуживаемые концы стержней, внутренняя резьба. |
| 7228A5TRSU | Угол контакта 25 градусов. |
| 7228 ATBP4 | ТВ = текстолитовый сепаратор, центрируемый по внутреннему кольцу. |
| 7228WN MBR | MB = Обработанный латунный сепаратор с внутренним кольцом. |
| 7228 CTBP4 | ТВ = текстолитовый сепаратор, центрируемый по внутреннему кольцу. |
| 7228-BCB-MP | B = 40 градусов угол контакта. CB = подшипник для универсального соответствия. Два подшипника, расположенные друг за другом или лицом к лицу, будут иметь нормальный осевой внутренний зазор перед монтажом. |
| 7228 CD/P4A | CD = 15 градусов угол контакта. P4 = Точность размеров и вращения соответствуют классу точности 4 ISO. |
| 7228 B.MP.UA | B = 40 градусов угол контакта. MP = Цельный латунный сепаратор оконного типа с штампованными или протянутыми карманами, центрируемый по внутреннему или наружному кольцу. U = Самоустанавливающиеся шарикоподшипники серий 115 и 116 без втулки. A = Модифицированная внутренняя конструкция. |
| 7228 ACD/P4A | ACD = Угол контакта 25 градусов. P4 = Точность конструкции P4, точность хода P4. |
| S7228 CD/P4A | CD = 15 градусов угол контакта. P4 = Точность размеров и вращения соответствуют классу точности 4 ISO. |
| B7228-E-T-P4S | E = (AC-SKF) = 25 градусов угол контакта. T = (сегмент TB-Cage) = текстильная слоистая Фенольный смола, направленная по наружному кольцу. сепаратор подходит для длительной эксплуатации при температуре до 100 градусов C. P = Литой сепаратор из стеклонаполненного полиамида 6,6, центрируемый по телам качения. |
| B7228-C-T-P4S | T = Нейлоновая клетка, армированная стекловолокном (радиальные роликовые подшипники). P = Литой сепаратор из стеклонаполненного полиамида 6,6, центрируемый по телам качения. |
| 7228 CD/HCP4A | P4 = Точность размеров и вращения соответствуют классу точности 4 ISO. |
| S7228 ACD/P4A | ACD = Угол контакта 25 градусов. P4 = Точность конструкции P4, точность хода P4. |
| 7228 ACD/HCP4A | ACD = Угол контакта 25 градусов. |
| HCB7228-E-T-P4S | E = (AC-SKF) = 25 градусов угол контакта. T = (сегмент TB-Cage) = текстильная слоистая Фенольный смола, направленная по наружному кольцу. сепаратор подходит для длительной эксплуатации при температуре до 100 градусов C. P = Литой сепаратор из стеклонаполненного полиамида 6,6, центрируемый по телам качения. |
Габаритные размеры
Размеры и геометрические характеристики
Нагрузка и ресурс
Защита
Присоединительные размеры
Конструкция и исполнение
Прочие характеристики
Однорядный цилиндрический роликовый подшипник NJ228 (CRAFT, CYSD, FAG, ISB, ISO)
Однорядный цилиндрический роликовый подшипник NU228 (CRAFT, CYSD, FAG, ISB, ISO)
Подшипник однорядный шариковый радиальный 6-228 (CRAFT, CX, CYSD, FAG, ISB)
Подшипник роликовый радиальный самоцентрирующийся 20228 (FAG, ISO)
Подшипник роликовый радиальный с короткими цилиндрическими роликами с однобортовым внутренним кольцом и с плоским упорным кольцом 92228
Однорядный цилиндрический роликовый подшипник N228 E.M1 (FAG, SKF)