Главная > Однорядные >7224 B.MP.UA

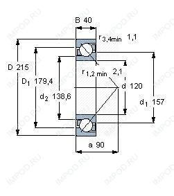
7224 B.MP.UA — Подшипник шариковый однорядный радиально-упорный, импортное производство по ISO стандарту, размер 120x215x43 номер основного исполнения 7224.
Производитель: FAG.
B = 40 градусов угол контакта. MP = Цельный латунный сепаратор оконного типа с штампованными или протянутыми карманами, центрируемый по внутреннему или наружному кольцу. U = Самоустанавливающиеся шарикоподшипники серий 115 и 116 без втулки. A = Модифицированная внутренняя конструкция.
Цена от:11 181 р.
Цена на подшипник зависит от:
| Обозначение | Модификация |
|---|---|
| 7224 | Основное конструктивное исполнение. |
| 7224C | С = Необслуживаемые концы стержней, внутренняя резьба. |
| 7224DT | T = Механически обработанный сепаратор из текстолита, центрируемый по телам качения. |
| 7224AC | AC = Угол контакта 25 градусов. |
| 7224 B | B = однокомпонентное ребристое внутреннее кольцо. |
| 7224 A | A = внутренняя модификация конструкции. |
| 7224DB | D = профиль наружного кольца, усовершенствованный, с увеличенной зоной несущей нагрузки и оптимизированными краевыми переходами. |
| 7224BG | B = 40 градусов угол контакта. G = Однорядный радиально-упорный шарикоподшипник для универсального парного монтажа. Два подшипника, установленные по 0-образной или Х-образной схеме, будут иметь определенный осевой зазор в домонтажном состоянии. |
| 7224BM | B = 40 градусов угол контакта. M = обработанный латунный сепаратор, расположенныйна элементах качения. |
| 7224DF | Комплект подшипников расположенных лицом к лицу, дуплексная Х-образная пара. |
| 7224CDF | Комплект подшипников расположенных лицом к лицу, дуплексная Х-образная пара. |
| 7224BDB | B = 40 градусов угол контакта. DB = два однорядных радиальных шарикоподшипника, однорядные радиально-упорные шарикоподшипники или однорядные конические роликовые подшипники, подходящие для монтажа в расположении друг за другом. |
| 7224CP5 | P5 = Подшипники 5-го класса точности DIN |
| 7224CP4 | P4 = Точность размеров и вращения соответствуют классу точности 4 ISO. |
| 7224CPA | С = Необслуживаемые концы стержней, внутренняя резьба. |
| 7224BGM | B = 40 градусов угол контакта. G = Однорядный радиально-упорный шарикоподшипник для универсального парного монтажа. Два подшипника, установленные по 0-образной или Х-образной схеме, будут иметь определенный осевой зазор в домонтажном состоянии. |
| 7224BDF | B = 40 градусов угол контакта. DF = Два однорядных радиальных шарикоподшипника, однорядных радиально-упорных шарикоподшипника или однорядных конических роликоподшипника, согласованные для монтажа по Х-образной схеме. |
| 7224BDT | BD = Модифицированная внутренняя конструкция, угол контакта α = 30 градусов, без отверстия для заполнения. |
| 7224BP5 | P5 = Подшипники 5-го класса точности DIN |
| 7224CDB | С = Необслуживаемые концы стержней, внутренняя резьба. |
| 7224 CDT | С = Необслуживаемые концы стержней, внутренняя резьба. |
| 7224 BMP | B = 40 градусов угол контакта. M = обработанный латунный сепаратор, расположенныйна элементах качения. |
| 7224 ADF | Комплект подшипников расположенных лицом к лицу, дуплексная Х-образная пара. |
| 7224 ADT | T = Механически обработанный сепаратор из текстолита, центрируемый по телам качения. |
| 7224 ADB | A = Модифицированная внутренняя конструкция. DB = два однорядных радиальных шарикоподшипника, однорядные радиально-упорные шарикоподшипники или однорядные конические роликовые подшипники, подходящие для монтажа в расположении друг к другу. |
| 7224CDTBT | ТВ = текстолитовый сепаратор, центрируемый по внутреннему кольцу. |
| 7224CTRSU | С = Необслуживаемые концы стержней, внутренняя резьба. |
| 7224 B-UX | X = Внешние размеры, соответствующие международным стандартам. |
| 7224 BCBM | B = 40 градусов угол контакта. CB = подшипник для универсального соответствия. Два подшипника, расположенные друг за другом или лицом к лицу, будут иметь нормальный осевой внутренний зазор перед монтажом. |
| 7224 A-UX | A = внутренняя модификация конструкции. |
| 7224 C-UD | С = Необслуживаемые концы стержней, внутренняя резьба. |
| 7224 A-UO | A = внутренняя модификация конструкции. |
| 7224 A-UD | A = внутренняя модификация конструкции. |
| 7224 C-UX | С = Необслуживаемые концы стержней, внутренняя резьба. |
| 7224 B-UO | B = однокомпонентное ребристое внутреннее кольцо. |
| 7224 B-UD | D = профиль наружного кольца, усовершенствованный, с увеличенной зоной несущей нагрузки и оптимизированными краевыми переходами. |
| 7224 C-UO | С = Необслуживаемые концы стержней, внутренняя резьба. |
| 7224 BGAM | B = 40 градусов угол контакта. G = Однорядный радиально-упорный шарикоподшипник для универсального парного монтажа. Два подшипника, установленные по 0-образной или Х-образной схеме, будут иметь определенный осевой зазор в домонтажном состоянии. |
| 7224WN MBR | MB = Обработанный латунный сепаратор с внутренним кольцом. |
| 7224A5TRSU | Угол контакта 25 градусов. |
| 7224 B.TVP | TVP = сегментный сепаратор, изготовленный из армированного стекловолокном полиамида PA66 направленная по роликам. |
| 7224 CTBP4 | ТВ = текстолитовый сепаратор, центрируемый по внутреннему кольцу. |
| 7224 ATBP4 | ТВ = текстолитовый сепаратор, центрируемый по внутреннему кольцу. |
| 7224CG1UJ74 | J = Сепаратор стальной штампованный незакалённый. Сорт стали 7. |
| 7224-BCB-MP | B = 40 градусов угол контакта. CB = подшипник для универсального соответствия. Два подшипника, расположенные друг за другом или лицом к лицу, будут иметь нормальный осевой внутренний зазор перед монтажом. |
| 7224 CD/P4A | CD = 15 градусов угол контакта. P4 = Точность размеров и вращения соответствуют классу точности 4 ISO. |
| 7224HG1UJ74 | J = Сепаратор стальной штампованный незакалённый. Сорт стали 7. |
| 7224CDB/GMP5 | М = Механически обработанный латунный сепаратор, центрируемый по телам качения. P5 = Точность размеров и вращения соответствуют классу точности 5 ISO. |
| 7224HG1DUJ74 | DU = (RS1-SKF) = Уплотнительное контактное уплотнение из акрилонитрил-бутадиеновой резины (NBR) из листовой стали на одной стороне подшипника. |
| 7224CDB/GNP4 | GN = нормальная предварительная нагрузка. P = Литой сепаратор из стеклонаполненного полиамида 6,6, центрируемый по телам качения. |
Однорядный конический роликовый подшипник 30224 (CRAFT, CYSD, FBJ, ISB, ISO)
Однорядный конический роликовый подшипник 30224 J2 (NSK, SKF)
Подшипник роликовый радиально-упорный конический 7224 (30224)
Однорядный конический роликовый подшипник 30224A (CX, FAG, PSL, SNR, ZVL)
Подшипник роликовый радиально-упорный 30224F (Fersa)
Однорядный конический роликовый подшипник 30224JR (KOYO)