Главная > Однорядные >7218 ACDGA.P4A

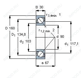
7218 ACDGA.P4A — Подшипник шариковый однорядный радиально-упорный, импортное производство по ISO стандарту, размер 90x160x32 номер основного исполнения 7218.
Производитель: SKF.
ACD = Угол контакта 25 градусов.
Цена от:15 768 р.
Цена на подшипник зависит от:
| Обозначение | Модификация |
|---|---|
| 7218 | Основное конструктивное исполнение. |
| B7218 | |
| 7218C | С = Необслуживаемые концы стержней, внутренняя резьба. |
| 7218WN | W = Без кольцевой канавки и смазочных отверстий в наружном кольце. |
| 7218DF | Комплект подшипников расположенных лицом к лицу, дуплексная Х-образная пара. |
| 7218DT | T = Механически обработанный сепаратор из текстолита, центрируемый по телам качения. |
| 7218BG | B = 40 градусов угол контакта. G = Однорядный радиально-упорный шарикоподшипник для универсального парного монтажа. Два подшипника, установленные по 0-образной или Х-образной схеме, будут иметь определенный осевой зазор в домонтажном состоянии. |
| 7218 B | B = однокомпонентное ребристое внутреннее кольцо. |
| 7218 A | A = внутренняя модификация конструкции. |
| 7218DB | D = профиль наружного кольца, усовершенствованный, с увеличенной зоной несущей нагрузки и оптимизированными краевыми переходами. |
| 7218AC | AC = Угол контакта 25 градусов. |
| 7218BGM | B = 40 градусов угол контакта. G = Однорядный радиально-упорный шарикоподшипник для универсального парного монтажа. Два подшипника, установленные по 0-образной или Х-образной схеме, будут иметь определенный осевой зазор в домонтажном состоянии. |
| 7218BEP | Радиально-упорный шарикоподшипник с угол контакта - 40. Оптимизированная внутренняя конструкция. Сепаратор армирован стекловолокном с шаровым центром. |
| 7218BDB | B = 40 градусов угол контакта. DB = два однорядных радиальных шарикоподшипника, однорядные радиально-упорные шарикоподшипники или однорядные конические роликовые подшипники, подходящие для монтажа в расположении друг за другом. |
| 7218CDB | С = Необслуживаемые концы стержней, внутренняя резьба. |
| 7218CDT | С = Необслуживаемые концы стержней, внутренняя резьба. |
| 7218CDF | Комплект подшипников расположенных лицом к лицу, дуплексная Х-образная пара. |
| 7218CPA | С = Необслуживаемые концы стержней, внутренняя резьба. |
| 7218 BDF | B = 40 градусов угол контакта. DF = Два однорядных радиальных шарикоподшипника, однорядных радиально-упорных шарикоподшипника или однорядных конических роликоподшипника, согласованные для монтажа по Х-образной схеме. |
| 7218 ADB | A = Модифицированная внутренняя конструкция. DB = два однорядных радиальных шарикоподшипника, однорядные радиально-упорные шарикоподшипники или однорядные конические роликовые подшипники, подходящие для монтажа в расположении друг к другу. |
| 7218 BDT | BD = Модифицированная внутренняя конструкция, угол контакта α = 30 градусов, без отверстия для заполнения. |
| 7218 ADF | Комплект подшипников расположенных лицом к лицу, дуплексная Х-образная пара. |
| 7218 ADT | T = Механически обработанный сепаратор из текстолита, центрируемый по телам качения. |
| 7218CTRSU | С = Необслуживаемые концы стержней, внутренняя резьба. |
| 7218 B.MP | B = 40 градусов угол контакта. M = обработанный латунный сепаратор, расположенныйна элементах качения. |
| 7218 A-UD | A = внутренняя модификация конструкции. |
| 7218 C-UX | С = Необслуживаемые концы стержней, внутренняя резьба. |
| 7218 A-UO | A = внутренняя модификация конструкции. |
| 7218 C-UD | С = Необслуживаемые концы стержней, внутренняя резьба. |
| 7218 A-UX | A = внутренняя модификация конструкции. |
| 7218-B-JP | B = однокомпонентное ребристое внутреннее кольцо. |
| 7218 B-UO | B = однокомпонентное ребристое внутреннее кольцо. |
| 7218 B-UD | D = профиль наружного кольца, усовершенствованный, с увеличенной зоной несущей нагрузки и оптимизированными краевыми переходами. |
| 7218 B-UX | X = Внешние размеры, соответствующие международным стандартам. |
| 7218 C-UO | С = Необслуживаемые концы стержней, внутренняя резьба. |
| 7218 BECBY | ЕС = эксцентриковый фиксатор воротника с утопленным внутренним кольцом на одной стороне. |
| 7218 BECBP | ЕС = эксцентриковый фиксатор воротника с утопленным внутренним кольцом на одной стороне. |
| 7218 B.TVP | TVP = сегментный сепаратор, изготовленный из армированного стекловолокном полиамида PA66 направленная по роликам. |
| 7218 BECBJ | BE = однорядный радиально-упорный шарикоподшипник с углом контакта 40 градусов и оптимизированной внутренней конструкцией. CB = подшипник для универсального соответствия. Два подшипника, расположенные друг за другом или лицом к лицу, будут иметь нормальный осевой внутренний зазор перед монтажом. J = Прессованный стальной сепаратор оконного типа, сферическая по центру. |
| 7218 ATBP4 | ТВ = текстолитовый сепаратор, центрируемый по внутреннему кольцу. |
| 7218 CTBP4 | ТВ = текстолитовый сепаратор, центрируемый по внутреннему кольцу. |
| 7218A5TRSU | Угол контакта 25 градусов. |
| 7218 BECBM | B = 40 градусов угол контакта. M = обработанный латунный сепаратор, расположенныйна элементах качения. |
| 7218-BE-MP | Радиально-упорный шарикоподшипник с углом контакта 40. Оптимизированная внутренняя конструкция. Обработанный латунный сепаратор центрируемый по шарику. |
| 7218CG/GNP4 | GN = нормальная предварительная нагрузка. P = Литой сепаратор из стеклонаполненного полиамида 6,6, центрируемый по телам качения. |
| 7218HG1UJ74 | J = Сепаратор стальной штампованный незакалённый. Сорт стали 7. |
| 7218CG1UJ74 | J = Сепаратор стальной штампованный незакалённый. Сорт стали 7. |
| 7218CG/GLP4 | P4 = Точность размеров и вращения соответствуют классу точности 4 ISO. |
| 7218 CD/P4A | CD = 15 градусов угол контакта. P4 = Точность размеров и вращения соответствуют классу точности 4 ISO. |
| 7218-BE-TVP | E = Увеличенная грузоподъемность. TVP = (сегментная сепаратор, код P) = сплошная оконная сепаратор из армированного стекловолокном полиамида PA66. Катание на роликах. |
Однорядный конический роликовый подшипник 30218 (CRAFT, CYSD, FAG, FBJ, ISB)
Однорядный конический роликовый подшипник 30218 J2 (FAG, SKF)
Однорядный конический роликовый подшипник 30218A (CX, FAG, SNR, ZVL)
Однорядный конический роликовый подшипник 30218JR (KOYO)
Подшипник роликовый радиально-упорный 30218F (Fersa)
Однорядный конический роликовый подшипник 30218U (NTN)