Главная > Подшипники> Шариковые> Радиально-упорные>7216-BECB-TVP

7216-BECB-TVP — Подшипник шариковый однорядный радиально-упорный, импортное производство по ISO стандарту, размер 80x140x26 номер основного исполнения 7216.
Производитель: NKE.
TVP = сегментный сепаратор, изготовленный из армированного стекловолокном полиамида PA66 направленная по роликам.
Цена от:1 960 р.
Цена на подшипник зависит от:
| Обозначение | Модификация |
|---|---|
| 7216 | Основное конструктивное исполнение. |
| B7216 | |
| 7216 A | A = внутренняя модификация конструкции. |
| 7216BG | B = 40 градусов угол контакта. G = Однорядный радиально-упорный шарикоподшипник для универсального парного монтажа. Два подшипника, установленные по 0-образной или Х-образной схеме, будут иметь определенный осевой зазор в домонтажном состоянии. |
| 7216WN | W = Без кольцевой канавки и смазочных отверстий в наружном кольце. |
| 7216DF | Комплект подшипников расположенных лицом к лицу, дуплексная Х-образная пара. |
| 7216 B | B = однокомпонентное ребристое внутреннее кольцо. |
| 7216DT | T = Механически обработанный сепаратор из текстолита, центрируемый по телам качения. |
| 7216DB | D = профиль наружного кольца, усовершенствованный, с увеличенной зоной несущей нагрузки и оптимизированными краевыми переходами. |
| 7216 C | С = Необслуживаемые концы стержней, внутренняя резьба. |
| 7216AC | AC = Угол контакта 25 градусов. |
| 7216BEA | A = внутренняя модификация конструкции. |
| 7216 BW | B = 40 градусов угол контакта. W = стальной сепаратор. |
| 7216CPA | С = Необслуживаемые концы стержней, внутренняя резьба. |
| 7216BGM | B = 40 градусов угол контакта. G = Однорядный радиально-упорный шарикоподшипник для универсального парного монтажа. Два подшипника, установленные по 0-образной или Х-образной схеме, будут иметь определенный осевой зазор в домонтажном состоянии. |
| 7216 ADT | T = Механически обработанный сепаратор из текстолита, центрируемый по телам качения. |
| 7216 ADB | A = Модифицированная внутренняя конструкция. DB = два однорядных радиальных шарикоподшипника, однорядные радиально-упорные шарикоподшипники или однорядные конические роликовые подшипники, подходящие для монтажа в расположении друг к другу. |
| 7216 BDB | B = 40 градусов угол контакта. DB = два однорядных радиальных шарикоподшипника, однорядные радиально-упорные шарикоподшипники или однорядные конические роликовые подшипники, подходящие для монтажа в расположении друг за другом. |
| 7216 CDB | С = Необслуживаемые концы стержней, внутренняя резьба. |
| 7216 CDT | С = Необслуживаемые концы стержней, внутренняя резьба. |
| 7216 BDF | B = 40 градусов угол контакта. DF = Два однорядных радиальных шарикоподшипника, однорядных радиально-упорных шарикоподшипника или однорядных конических роликоподшипника, согласованные для монтажа по Х-образной схеме. |
| 7216 ADF | Комплект подшипников расположенных лицом к лицу, дуплексная Х-образная пара. |
| 7216 CDF | Комплект подшипников расположенных лицом к лицу, дуплексная Х-образная пара. |
| 7216 BDT | BD = Модифицированная внутренняя конструкция, угол контакта α = 30 градусов, без отверстия для заполнения. |
| 7216 BEP | Радиально-упорный шарикоподшипник с угол контакта - 40. Оптимизированная внутренняя конструкция. Сепаратор армирован стекловолокном с шаровым центром. |
| 7216 B-UX | X = Внешние размеры, соответствующие международным стандартам. |
| 7216CTRSU | С = Необслуживаемые концы стержней, внутренняя резьба. |
| 7216 B.JP | B = однокомпонентное ребристое внутреннее кольцо. |
| 7216 A-UX | A = внутренняя модификация конструкции. |
| 7216 B-UO | B = однокомпонентное ребристое внутреннее кольцо. |
| 7216 C-UX | С = Необслуживаемые концы стержней, внутренняя резьба. |
| 7216 C-UD | С = Необслуживаемые концы стержней, внутренняя резьба. |
| 7216 A-UO | A = внутренняя модификация конструкции. |
| 7216 A-UD | A = внутренняя модификация конструкции. |
| 7216 C-UO | С = Необслуживаемые концы стержней, внутренняя резьба. |
| 7216 B-UD | D = профиль наружного кольца, усовершенствованный, с увеличенной зоной несущей нагрузки и оптимизированными краевыми переходами. |
| 7216-BE-MP | Радиально-упорный шарикоподшипник с углом контакта 40. Оптимизированная внутренняя конструкция. Обработанный латунный сепаратор центрируемый по шарику. |
| 7216BEGAPH | Однорядный радиально-упорный шарикоподшипник с углом контакта - 40. Оптимизирована внутренняя конструкция. Подшипник для универсального сопряжения, по схеме спина к спине или лицо к лицу, перед монтажом будут иметь предварительный натяг. Сепаратор оконного типа, отлитый под давлением из PEEK, с центрированием по шарику. |
| 7216 CTBP4 | ТВ = текстолитовый сепаратор, центрируемый по внутреннему кольцу. |
| 7216 BECBM | B = 40 градусов угол контакта. M = обработанный латунный сепаратор, расположенныйна элементах качения. |
| 7216 BECBJ | BE = однорядный радиально-упорный шарикоподшипник с углом контакта 40 градусов и оптимизированной внутренней конструкцией. CB = подшипник для универсального соответствия. Два подшипника, расположенные друг за другом или лицом к лицу, будут иметь нормальный осевой внутренний зазор перед монтажом. J = Прессованный стальной сепаратор оконного типа, сферическая по центру. |
| 7216 BECBP | ЕС = эксцентриковый фиксатор воротника с утопленным внутренним кольцом на одной стороне. |
| 7216 BEGAM | A = внутренняя модификация конструкции. |
| 7216 ATBP4 | ТВ = текстолитовый сепаратор, центрируемый по внутреннему кольцу. |
| 7216 BEGAP | Радиально-упорный шарикоподшипник с углом контакта 40. Оптимизированная внутренняя конструкция. Подшипник для универсального сопряжения. Два подшипника, расположенных вплотную друг к другу или лицом к лицу, имеют небольшой предварительный натяг. Сепаратор армирован стекловолокном. |
| 7216 BECBY | ЕС = эксцентриковый фиксатор воротника с утопленным внутренним кольцом на одной стороне. |
| 7216 BEGAF | A = внутренняя модификация конструкции. |
| 7216-B-TVP | TVP = сегментный сепаратор, изготовленный из армированного стекловолокном полиамида PA66 направленная по роликам. |
| 7216A5TRSU | Угол контакта 25 градусов. |
| 7216-BE-TVP | E = Увеличенная грузоподъемность. TVP = (сегментная сепаратор, код P) = сплошная оконная сепаратор из армированного стекловолокном полиамида PA66. Катание на роликах. |
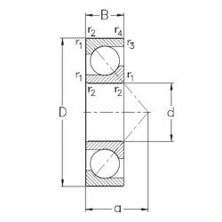
Габаритные размеры
Размеры и геометрические характеристики
Нагрузка и ресурс
Защита
Присоединительные размеры
Конструкция и исполнение
Однорядный цилиндрический роликовый подшипник NJ216 (CRAFT, FAG, FBJ, ISB, ISO)
Однорядный цилиндрический роликовый подшипник NU216 (CRAFT, FBJ, IBC, ISB, ISO)
Подшипник шариковый радиальный 6-216 (ГПЗ-3)
Подшипник роликовый радиально-упорный 32216 (ГПЗ-4)
Подшипник шариковый радиальный 4-216 (ГПЗ-3)
Подшипник роликовый сферический 20216 (FAG, ISO)