Главная > Однорядные >7213 A5TYNSULP4

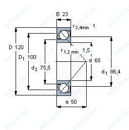
7213 A5TYNSULP4 — Подшипник шариковый однорядный радиально-упорный, импортное производство по ISO стандарту, размер 65x120x24 номер основного исполнения 7213.
Производитель: NSK.
A5 = угол соприкосновения 25 градусов.TYN = Эта специальная конструкция позволяет подшипнику иметь более низкое трение и более низкий уровень шума. Повышение температуры подшипника с сепаратором TYN ниже, чем у фенольного сепаратора SUL = Одинарный высокопрецизионный подшипник. Легкий преднатяг. P4 = Точность конструкции P4, точность хода P4.
Цена от:5 856 р.
Цена на подшипник зависит от:
| Обозначение | Модификация |
|---|---|
| 7213 | Основное конструктивное исполнение. |
| 7213C | С = Необслуживаемые концы стержней, внутренняя резьба. |
| 7213BG | B = 40 градусов угол контакта. G = Однорядный радиально-упорный шарикоподшипник для универсального парного монтажа. Два подшипника, установленные по 0-образной или Х-образной схеме, будут иметь определенный осевой зазор в домонтажном состоянии. |
| 7213DT | T = Механически обработанный сепаратор из текстолита, центрируемый по телам качения. |
| 7213DF | Комплект подшипников расположенных лицом к лицу, дуплексная Х-образная пара. |
| 7213BA | A = внутренняя модификация конструкции. |
| 7213WN | W = Без кольцевой канавки и смазочных отверстий в наружном кольце. |
| 7213DB | D = профиль наружного кольца, усовершенствованный, с увеличенной зоной несущей нагрузки и оптимизированными краевыми переходами. |
| 7213 A | A = внутренняя модификация конструкции. |
| 7213AC | AC = Угол контакта 25 градусов. |
| 7213 B | B = однокомпонентное ребристое внутреннее кольцо. |
| 7213BEY | Y = Штампованный латунный сепаратор, центрируемый по телам качения. |
| 7213BEA | A = внутренняя модификация конструкции. |
| 7213BGA | B = 40 градусов угол контакта. G = Однорядный радиально-упорный шарикоподшипник для универсального парного монтажа. Два подшипника, установленные по 0-образной или Х-образной схеме, будут иметь определенный осевой зазор в домонтажном состоянии. |
| 7213CPA | С = Необслуживаемые концы стержней, внутренняя резьба. |
| 7213BGM | B = 40 градусов угол контакта. G = Однорядный радиально-упорный шарикоподшипник для универсального парного монтажа. Два подшипника, установленные по 0-образной или Х-образной схеме, будут иметь определенный осевой зазор в домонтажном состоянии. |
| 7213 CDB | С = Необслуживаемые концы стержней, внутренняя резьба. |
| 7213 BDB | B = 40 градусов угол контакта. DB = два однорядных радиальных шарикоподшипника, однорядные радиально-упорные шарикоподшипники или однорядные конические роликовые подшипники, подходящие для монтажа в расположении друг за другом. |
| 7213 ADT | T = Механически обработанный сепаратор из текстолита, центрируемый по телам качения. |
| 7213 BEJ | EJ = стальной сепаратор. |
| 7213 ADB | A = Модифицированная внутренняя конструкция. DB = два однорядных радиальных шарикоподшипника, однорядные радиально-упорные шарикоподшипники или однорядные конические роликовые подшипники, подходящие для монтажа в расположении друг к другу. |
| 7213 CDF | Комплект подшипников расположенных лицом к лицу, дуплексная Х-образная пара. |
| 7213 ADF | Комплект подшипников расположенных лицом к лицу, дуплексная Х-образная пара. |
| 7213 CDT | С = Необслуживаемые концы стержней, внутренняя резьба. |
| 7213 BDT | BD = Модифицированная внутренняя конструкция, угол контакта α = 30 градусов, без отверстия для заполнения. |
| 7213 BEP | Радиально-упорный шарикоподшипник с угол контакта - 40. Оптимизированная внутренняя конструкция. Сепаратор армирован стекловолокном с шаровым центром. |
| 7213 BDF | B = 40 градусов угол контакта. DF = Два однорядных радиальных шарикоподшипника, однорядных радиально-упорных шарикоподшипника или однорядных конических роликоподшипника, согласованные для монтажа по Х-образной схеме. |
| 7213 A-UD | A = внутренняя модификация конструкции. |
| 7213 A-UO | A = внутренняя модификация конструкции. |
| 7213 B-UD | D = профиль наружного кольца, усовершенствованный, с увеличенной зоной несущей нагрузки и оптимизированными краевыми переходами. |
| 7213 C-UD | С = Необслуживаемые концы стержней, внутренняя резьба. |
| 7213CTRSU | С = Необслуживаемые концы стержней, внутренняя резьба. |
| 7213 A-UX | A = внутренняя модификация конструкции. |
| 7213 B.JP | B = однокомпонентное ребристое внутреннее кольцо. |
| 7213 C-UX | С = Необслуживаемые концы стержней, внутренняя резьба. |
| 7213 C-UO | С = Необслуживаемые концы стержней, внутренняя резьба. |
| 7213 B-UX | X = Внешние размеры, соответствующие международным стандартам. |
| 7213 B-UO | B = однокомпонентное ребристое внутреннее кольцо. |
| 7213A5TRSU | Угол контакта 25 градусов. |
| 7213 CTBP4 | ТВ = текстолитовый сепаратор, центрируемый по внутреннему кольцу. |
| 7213-B-TVP | TVP = сегментный сепаратор, изготовленный из армированного стекловолокном полиамида PA66 направленная по роликам. |
| 7213 BEGAF | A = внутренняя модификация конструкции. |
| 7213-BE-MP | Радиально-упорный шарикоподшипник с углом контакта 40. Оптимизированная внутренняя конструкция. Обработанный латунный сепаратор центрируемый по шарику. |
| 7213 BECBM | B = 40 градусов угол контакта. M = обработанный латунный сепаратор, расположенныйна элементах качения. |
| 7213 BECBY | ЕС = эксцентриковый фиксатор воротника с утопленным внутренним кольцом на одной стороне. |
| 7213 BECBJ | BE = однорядный радиально-упорный шарикоподшипник с углом контакта 40 градусов и оптимизированной внутренней конструкцией. CB = подшипник для универсального соответствия. Два подшипника, расположенные друг за другом или лицом к лицу, будут иметь нормальный осевой внутренний зазор перед монтажом. J = Прессованный стальной сепаратор оконного типа, сферическая по центру. |
| 7213 BECBP | ЕС = эксцентриковый фиксатор воротника с утопленным внутренним кольцом на одной стороне. |
| 7213 BEGAP | Радиально-упорный шарикоподшипник с углом контакта 40. Оптимизированная внутренняя конструкция. Подшипник для универсального сопряжения. Два подшипника, расположенных вплотную друг к другу или лицом к лицу, имеют небольшой предварительный натяг. Сепаратор армирован стекловолокном. |
| 7213 ATBP4 | ТВ = текстолитовый сепаратор, центрируемый по внутреннему кольцу. |
| 7213 BEGAPH | Однорядный радиально-упорный шарикоподшипник с углом контакта - 40. Оптимизирована внутренняя конструкция. Подшипник для универсального сопряжения, по схеме спина к спине или лицо к лицу, перед монтажом будут иметь предварительный натяг. Сепаратор оконного типа, отлитый под давлением из PEEK, с центрированием по шарику. |
Однорядный конический роликовый подшипник 30213 (CRAFT, CYSD, FBJ, IBC, ISB)
Однорядный конический роликовый подшипник 30213 A (CX, FAG, SNR, ZVL)
Подшипник роликовый конический 30213-XL (FAG)
Подшипник роликовый радиально-упорный 30213F (Fersa)
Однорядный конический роликовый подшипник 30213C (SNR)
Однорядный конический роликовый подшипник 30213J (KBC)