Главная > Подшипники> Шариковые> Радиально-упорные>7210 BECBPH

7210 BECBPH — однорядный радиально-упорный шарикоподшипник, импортное производство по ISO стандарту, размер 90x50x20 номер основного исполнения 7210.
Производитель: SKF.
ЕС = эксцентриковый фиксатор воротника с утопленным внутренним кольцом на одной стороне.
Цена от:1 001 р.
Цена на подшипник зависит от:
| Обозначение | Модификация |
|---|---|
| 7210 | Основное конструктивное исполнение. |
| B7210 | |
| 7210 C | С = Необслуживаемые концы стержней, внутренняя резьба. |
| 7210 A | A = внутренняя модификация конструкции. |
| 7210DB | D = профиль наружного кольца, усовершенствованный, с увеличенной зоной несущей нагрузки и оптимизированными краевыми переходами. |
| S7210B | B = однокомпонентное ребристое внутреннее кольцо. |
| 7210BG | B = 40 градусов угол контакта. G = Однорядный радиально-упорный шарикоподшипник для универсального парного монтажа. Два подшипника, установленные по 0-образной или Х-образной схеме, будут иметь определенный осевой зазор в домонтажном состоянии. |
| 7210DT | T = Механически обработанный сепаратор из текстолита, центрируемый по телам качения. |
| 7210DF | Комплект подшипников расположенных лицом к лицу, дуплексная Х-образная пара. |
| 7210WN | W = Без кольцевой канавки и смазочных отверстий в наружном кольце. |
| 7210AC | AC = Угол контакта 25 градусов. |
| 7210 B | B = однокомпонентное ребристое внутреннее кольцо. |
| 7210CPA | С = Необслуживаемые концы стержней, внутренняя резьба. |
| 7210BGA | B = 40 градусов угол контакта. G = Однорядный радиально-упорный шарикоподшипник для универсального парного монтажа. Два подшипника, установленные по 0-образной или Х-образной схеме, будут иметь определенный осевой зазор в домонтажном состоянии. |
| 7210CDB | С = Необслуживаемые концы стержней, внутренняя резьба. |
| 7210BEA | A = внутренняя модификация конструкции. |
| 7210BGM | B = 40 градусов угол контакта. G = Однорядный радиально-упорный шарикоподшипник для универсального парного монтажа. Два подшипника, установленные по 0-образной или Х-образной схеме, будут иметь определенный осевой зазор в домонтажном состоянии. |
| 7210CP4 | P4 = Точность размеров и вращения соответствуют классу точности 4 ISO. |
| 7210 BDF | B = 40 градусов угол контакта. DF = Два однорядных радиальных шарикоподшипника, однорядных радиально-упорных шарикоподшипника или однорядных конических роликоподшипника, согласованные для монтажа по Х-образной схеме. |
| 7210 CDF | Комплект подшипников расположенных лицом к лицу, дуплексная Х-образная пара. |
| 7210 BEP | Радиально-упорный шарикоподшипник с угол контакта - 40. Оптимизированная внутренняя конструкция. Сепаратор армирован стекловолокном с шаровым центром. |
| 7210 CDT | С = Необслуживаемые концы стержней, внутренняя резьба. |
| 7210 ADB | A = Модифицированная внутренняя конструкция. DB = два однорядных радиальных шарикоподшипника, однорядные радиально-упорные шарикоподшипники или однорядные конические роликовые подшипники, подходящие для монтажа в расположении друг к другу. |
| 7210 BDB | B = 40 градусов угол контакта. DB = два однорядных радиальных шарикоподшипника, однорядные радиально-упорные шарикоподшипники или однорядные конические роликовые подшипники, подходящие для монтажа в расположении друг за другом. |
| 7210 ADF | Комплект подшипников расположенных лицом к лицу, дуплексная Х-образная пара. |
| 7210 BDT | BD = Модифицированная внутренняя конструкция, угол контакта α = 30 градусов, без отверстия для заполнения. |
| 7210 ADT | T = Механически обработанный сепаратор из текстолита, центрируемый по телам качения. |
| 7210 A-UO | A = внутренняя модификация конструкции. |
| 7210 C-UO | С = Необслуживаемые концы стержней, внутренняя резьба. |
| 7210 B-UO | B = однокомпонентное ребристое внутреннее кольцо. |
| 7210 A-UD | A = внутренняя модификация конструкции. |
| 7210-B-JP | B = однокомпонентное ребристое внутреннее кольцо. |
| 7210 C-UX | С = Необслуживаемые концы стержней, внутренняя резьба. |
| 7210 B-UD | D = профиль наружного кольца, усовершенствованный, с увеличенной зоной несущей нагрузки и оптимизированными краевыми переходами. |
| 7210 A-UX | A = внутренняя модификация конструкции. |
| 7210CTRSU | С = Необслуживаемые концы стержней, внутренняя резьба. |
| 7210 C-UD | С = Необслуживаемые концы стержней, внутренняя резьба. |
| 7210B-2RS | Резиновые уплотнения с каждой стороны подшипника. |
| 7210 B-UX | X = Внешние размеры, соответствующие международным стандартам. |
| 7210A5TRSU | Угол контакта 25 градусов. |
| 7210 CTBP4 | ТВ = текстолитовый сепаратор, центрируемый по внутреннему кольцу. |
| 7210 BECBM | B = 40 градусов угол контакта. M = обработанный латунный сепаратор, расположенныйна элементах качения. |
| 7210-BE-MP | Радиально-упорный шарикоподшипник с углом контакта 40. Оптимизированная внутренняя конструкция. Обработанный латунный сепаратор центрируемый по шарику. |
| 7210-B-TVP | TVP = сегментный сепаратор, изготовленный из армированного стекловолокном полиамида PA66 направленная по роликам. |
| 7210 ATBP4 | ТВ = текстолитовый сепаратор, центрируемый по внутреннему кольцу. |
| 7210 BECBJ | BE = однорядный радиально-упорный шарикоподшипник с углом контакта 40 градусов и оптимизированной внутренней конструкцией. CB = подшипник для универсального соответствия. Два подшипника, расположенные друг за другом или лицом к лицу, будут иметь нормальный осевой внутренний зазор перед монтажом. J = Прессованный стальной сепаратор оконного типа, сферическая по центру. |
| 7210 BECBY | ЕС = эксцентриковый фиксатор воротника с утопленным внутренним кольцом на одной стороне. |
| 7210 BECBP | ЕС = эксцентриковый фиксатор воротника с утопленным внутренним кольцом на одной стороне. |
| 7210CG/GMP4 | М = Механически обработанный латунный сепаратор, центрируемый по телам качения. P4 = Точность размеров и вращения соответствуют классу точности 4 ISO. |
| 7210 CD/P4A | CD = 15 градусов угол контакта. P4 = Точность размеров и вращения соответствуют классу точности 4 ISO. |
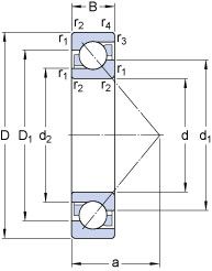
Габаритные размеры
Размеры и геометрические характеристики
Нагрузка и ресурс
Коэффициенты для расчета
Присоединительные размеры
Прочие характеристики
Однорядный цилиндрический роликовый подшипник N210 ECP (FAG, SKF)
Однорядный цилиндрический роликовый подшипник NJ210 ECJ (FAG, SKF)
Однорядный цилиндрический роликовый подшипник NJ210 ECP (FAG, SKF)
Однорядный цилиндрический роликовый подшипник NUP210 ECJ (FAG, SKF)
Подшипник однорядный шариковый радиальный 6210 M (FAG, SKF)
Однорядный гибридный радиальный шарикоподшипник 6210/HC5C3 (SKF)