Главная > Подшипники> Шариковые> Радиально-упорные>7208 BE-2RZP

7208 BE-2RZP — Подшипник шариковый однорядный радиально-упорный, импортное производство по ISO стандарту, размер 80x40x18 номер основного исполнения 7208.
Производитель: SKF.
BE = однорядный радиально-упорный шарикоподшипник с углом контакта 40 градусов и оптимизированной внутренней конструкцией. 2RZ = шарикоподшипник по DIN 623, два уплотнения с низким трением. P = Формованная литьем под давлением сепаратор оконного типа из армированного стекловолокном полиамида 6,6, сфокусированная на шарике.
Цена от:1 163 р.
Цена на подшипник зависит от:
| Обозначение | Модификация |
|---|---|
| 7208 | Основное конструктивное исполнение. |
| B7208 | |
| S7208B | B = однокомпонентное ребристое внутреннее кольцо. |
| 7208BG | B = 40 градусов угол контакта. G = Однорядный радиально-упорный шарикоподшипник для универсального парного монтажа. Два подшипника, установленные по 0-образной или Х-образной схеме, будут иметь определенный осевой зазор в домонтажном состоянии. |
| 7208 C | С = Необслуживаемые концы стержней, внутренняя резьба. |
| 7208WN | W = Без кольцевой канавки и смазочных отверстий в наружном кольце. |
| 7208AC | AC = Угол контакта 25 градусов. |
| 7208DB | D = профиль наружного кольца, усовершенствованный, с увеличенной зоной несущей нагрузки и оптимизированными краевыми переходами. |
| 7208DF | Комплект подшипников расположенных лицом к лицу, дуплексная Х-образная пара. |
| 7208DT | T = Механически обработанный сепаратор из текстолита, центрируемый по телам качения. |
| 7208 B | B = однокомпонентное ребристое внутреннее кольцо. |
| 7208BA | A = внутренняя модификация конструкции. |
| 7208 A | A = внутренняя модификация конструкции. |
| 7208BDT | BD = Модифицированная внутренняя конструкция, угол контакта α = 30 градусов, без отверстия для заполнения. |
| 7208BEA | A = внутренняя модификация конструкции. |
| 7208BDF | B = 40 градусов угол контакта. DF = Два однорядных радиальных шарикоподшипника, однорядных радиально-упорных шарикоподшипника или однорядных конических роликоподшипника, согласованные для монтажа по Х-образной схеме. |
| 7208CPA | С = Необслуживаемые концы стержней, внутренняя резьба. |
| NC7208V | V = Увеличенная грузоподъемность, внутренняя модификация конструкции. |
| 7208CDT | С = Необслуживаемые концы стержней, внутренняя резьба. |
| 7208BGM | B = 40 градусов угол контакта. G = Однорядный радиально-упорный шарикоподшипник для универсального парного монтажа. Два подшипника, установленные по 0-образной или Х-образной схеме, будут иметь определенный осевой зазор в домонтажном состоянии. |
| 7208BGA | B = 40 градусов угол контакта. G = Однорядный радиально-упорный шарикоподшипник для универсального парного монтажа. Два подшипника, установленные по 0-образной или Х-образной схеме, будут иметь определенный осевой зазор в домонтажном состоянии. |
| 7208CDB | С = Необслуживаемые концы стержней, внутренняя резьба. |
| 7208 ADF | Комплект подшипников расположенных лицом к лицу, дуплексная Х-образная пара. |
| 7208 BEP | Радиально-упорный шарикоподшипник с угол контакта - 40. Оптимизированная внутренняя конструкция. Сепаратор армирован стекловолокном с шаровым центром. |
| 7208 ADB | A = Модифицированная внутренняя конструкция. DB = два однорядных радиальных шарикоподшипника, однорядные радиально-упорные шарикоподшипники или однорядные конические роликовые подшипники, подходящие для монтажа в расположении друг к другу. |
| 7208 CDF | Комплект подшипников расположенных лицом к лицу, дуплексная Х-образная пара. |
| 7208 ADT | T = Механически обработанный сепаратор из текстолита, центрируемый по телам качения. |
| 7208 BDB | B = 40 градусов угол контакта. DB = два однорядных радиальных шарикоподшипника, однорядные радиально-упорные шарикоподшипники или однорядные конические роликовые подшипники, подходящие для монтажа в расположении друг за другом. |
| 7208BECBM | B = 40 градусов угол контакта. M = обработанный латунный сепаратор, расположенныйна элементах качения. |
| 7208BECBP | ЕС = эксцентриковый фиксатор воротника с утопленным внутренним кольцом на одной стороне. |
| 7208CTRSU | С = Необслуживаемые концы стержней, внутренняя резьба. |
| 7208B-2RS | Резиновые уплотнения с каждой стороны подшипника. |
| 7208 C-UD | С = Необслуживаемые концы стержней, внутренняя резьба. |
| 7208 A-UD | A = внутренняя модификация конструкции. |
| 7208 B-UX | X = Внешние размеры, соответствующие международным стандартам. |
| 7208 A-UX | A = внутренняя модификация конструкции. |
| 7208-B-JP | B = однокомпонентное ребристое внутреннее кольцо. |
| 7208 B-UO | B = однокомпонентное ребристое внутреннее кольцо. |
| 7208 B-UD | D = профиль наружного кольца, усовершенствованный, с увеличенной зоной несущей нагрузки и оптимизированными краевыми переходами. |
| 7208 C-UX | С = Необслуживаемые концы стержней, внутренняя резьба. |
| 7208BECBY | ЕС = эксцентриковый фиксатор воротника с утопленным внутренним кольцом на одной стороне. |
| 7208 C-UO | С = Необслуживаемые концы стержней, внутренняя резьба. |
| 7208 A-UO | A = внутренняя модификация конструкции. |
| 7208 BEGAY | BE = однорядный радиально-упорный шарикоподшипник с углом контакта 40 градусов и оптимизированной внутренней конструкцией. GA = Однорядный радиально-упорный шарикоподшипник для универсального соответствия. Два подшипника, расположенные друг за другом или лицом к лицу, будут иметь легкую предварительную нагрузку. Y = (Сегментный тип клетки, код Y) = штампованная латунный сепаратор с центром на элементах качения. |
| 7208-B-TVP | TVP = сегментный сепаратор, изготовленный из армированного стекловолокном полиамида PA66 направленная по роликам. |
| 7208 BEGAP | Радиально-упорный шарикоподшипник с углом контакта 40. Оптимизированная внутренняя конструкция. Подшипник для универсального сопряжения. Два подшипника, расположенных вплотную друг к другу или лицом к лицу, имеют небольшой предварительный натяг. Сепаратор армирован стекловолокном. |
| 7208 BEGBY | Y = Штампованный латунный сепаратор, центрируемый по телам качения. |
| 7208 CTBP4 | ТВ = текстолитовый сепаратор, центрируемый по внутреннему кольцу. |
| 7208 ATBP4 | ТВ = текстолитовый сепаратор, центрируемый по внутреннему кольцу. |
| 7208-BE-MP | Радиально-упорный шарикоподшипник с углом контакта 40. Оптимизированная внутренняя конструкция. Обработанный латунный сепаратор центрируемый по шарику. |
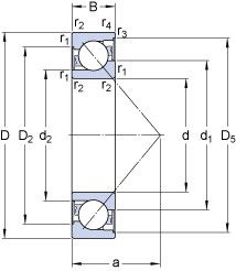
Габаритные размеры
Размеры и геометрические характеристики
Нагрузка и ресурс
Коэффициенты для расчета
Присоединительные размеры
Прочие характеристики
Однорядный цилиндрический роликовый подшипник N208 ECP (FAG, SKF)
Однорядный цилиндрический роликовый подшипник NU208 ECJ (FAG, SKF)
Однорядный цилиндрический роликовый подшипник NU208 ECP (FAG, SKF)
Однорядный гибридный радиальный шарикоподшипник 6208-2RZTN9/HC5C3WT (SKF)
Подшипник однорядный шариковый радиальный 6208 ETN9 (SKF)
Подшипник однорядный шариковый радиальный 6208-2RS1 (SKF)