Главная > Подшипники> Шариковые> Радиально-упорные>7207-B-2RS-TVP

7207-B-2RS-TVP — Подшипник шариковый радиально-упорный, импортное производство по ISO стандарту, размер 35x35x35 номер основного исполнения 7207.
Производитель: FAG.
2RS = резиновые уплотнения с каждой стороны подшипника. Т = TVH = сепаратор из полиамида .
Цена от:1 281 р.
Цена на подшипник зависит от:
| Обозначение | Модификация |
|---|---|
| 7207 | Основное конструктивное исполнение. |
| 7207BG | B = 40 градусов угол контакта. G = Однорядный радиально-упорный шарикоподшипник для универсального парного монтажа. Два подшипника, установленные по 0-образной или Х-образной схеме, будут иметь определенный осевой зазор в домонтажном состоянии. |
| 7207DB | D = профиль наружного кольца, усовершенствованный, с увеличенной зоной несущей нагрузки и оптимизированными краевыми переходами. |
| S7207B | B = однокомпонентное ребристое внутреннее кольцо. |
| 7207DT | T = Механически обработанный сепаратор из текстолита, центрируемый по телам качения. |
| 7207AC | AC = Угол контакта 25 градусов. |
| 7207WN | W = Без кольцевой канавки и смазочных отверстий в наружном кольце. |
| 7207 C | С = Необслуживаемые концы стержней, внутренняя резьба. |
| 7207 B | B = однокомпонентное ребристое внутреннее кольцо. |
| 7207DF | Комплект подшипников расположенных лицом к лицу, дуплексная Х-образная пара. |
| 7207 A | A = внутренняя модификация конструкции. |
| 7207BEA | A = внутренняя модификация конструкции. |
| NC7207V | V = Увеличенная грузоподъемность, внутренняя модификация конструкции. |
| 7207CPA | С = Необслуживаемые концы стержней, внутренняя резьба. |
| 7207BGA | B = 40 градусов угол контакта. G = Однорядный радиально-упорный шарикоподшипник для универсального парного монтажа. Два подшипника, установленные по 0-образной или Х-образной схеме, будут иметь определенный осевой зазор в домонтажном состоянии. |
| 7207 BDT | BD = Модифицированная внутренняя конструкция, угол контакта α = 30 градусов, без отверстия для заполнения. |
| 7207 BEP | Радиально-упорный шарикоподшипник с угол контакта - 40. Оптимизированная внутренняя конструкция. Сепаратор армирован стекловолокном с шаровым центром. |
| 7207 ADB | A = Модифицированная внутренняя конструкция. DB = два однорядных радиальных шарикоподшипника, однорядные радиально-упорные шарикоподшипники или однорядные конические роликовые подшипники, подходящие для монтажа в расположении друг к другу. |
| 7207 CDB | С = Необслуживаемые концы стержней, внутренняя резьба. |
| 7207 CDF | Комплект подшипников расположенных лицом к лицу, дуплексная Х-образная пара. |
| 7207 CDT | С = Необслуживаемые концы стержней, внутренняя резьба. |
| 7207 BDB | B = 40 градусов угол контакта. DB = два однорядных радиальных шарикоподшипника, однорядные радиально-упорные шарикоподшипники или однорядные конические роликовые подшипники, подходящие для монтажа в расположении друг за другом. |
| 7207 ADF | Комплект подшипников расположенных лицом к лицу, дуплексная Х-образная пара. |
| 7207 ADT | T = Механически обработанный сепаратор из текстолита, центрируемый по телам качения. |
| 7207 BDF | B = 40 градусов угол контакта. DF = Два однорядных радиальных шарикоподшипника, однорядных радиально-упорных шарикоподшипника или однорядных конических роликоподшипника, согласованные для монтажа по Х-образной схеме. |
| 7207BECBY | ЕС = эксцентриковый фиксатор воротника с утопленным внутренним кольцом на одной стороне. |
| 7207 C-UD | С = Необслуживаемые концы стержней, внутренняя резьба. |
| 7207 B-UO | B = однокомпонентное ребристое внутреннее кольцо. |
| 7207 B-UX | X = Внешние размеры, соответствующие международным стандартам. |
| 7207BECBM | B = 40 градусов угол контакта. M = обработанный латунный сепаратор, расположенныйна элементах качения. |
| 7207BECBP | ЕС = эксцентриковый фиксатор воротника с утопленным внутренним кольцом на одной стороне. |
| 7207-B-JP | B = однокомпонентное ребристое внутреннее кольцо. |
| 7207CTRSU | С = Необслуживаемые концы стержней, внутренняя резьба. |
| 7207 B-UD | D = профиль наружного кольца, усовершенствованный, с увеличенной зоной несущей нагрузки и оптимизированными краевыми переходами. |
| 7207 A-UO | A = внутренняя модификация конструкции. |
| 7207 A-UX | A = внутренняя модификация конструкции. |
| 7207B-2RS | Резиновые уплотнения с каждой стороны подшипника. |
| 7207 C-UO | С = Необслуживаемые концы стержней, внутренняя резьба. |
| 7207 C-UX | С = Необслуживаемые концы стержней, внутренняя резьба. |
| 7207 A-UD | A = внутренняя модификация конструкции. |
| 7207A5TRSU | Угол контакта 25 градусов. |
| 7207 CTBP4 | ТВ = текстолитовый сепаратор, центрируемый по внутреннему кольцу. |
| 7207-BE-MP | Радиально-упорный шарикоподшипник с углом контакта 40. Оптимизированная внутренняя конструкция. Обработанный латунный сепаратор центрируемый по шарику. |
| 7207-B-TVP | TVP = сегментный сепаратор, изготовленный из армированного стекловолокном полиамида PA66 направленная по роликам. |
| 7207 ATBP4 | ТВ = текстолитовый сепаратор, центрируемый по внутреннему кольцу. |
| 7207CG/GNP4 | GN = нормальная предварительная нагрузка. P = Литой сепаратор из стеклонаполненного полиамида 6,6, центрируемый по телам качения. |
| 7207CG1UJ74 | J = Сепаратор стальной штампованный незакалённый. Сорт стали 7. |
| 7207HG1UJ74 | J = Сепаратор стальной штампованный незакалённый. Сорт стали 7. |
| 7207-BE-TVP | E = Увеличенная грузоподъемность. TVP = (сегментная сепаратор, код P) = сплошная оконная сепаратор из армированного стекловолокном полиамида PA66. Катание на роликах. |
| 7207 CD/P4A | CD = 15 градусов угол контакта. P4 = Точность размеров и вращения соответствуют классу точности 4 ISO. |
| Техника | Модель | Агрегат |
|---|---|---|
| Комбайн | КСК-100А-А1 | Тележка задняя |
| Косилка | КПС-5Г | Тележка задняя/ступица колес. опора наружная |
| Косилка | КПС-5Г | Тележка передняя/ступица колес. опора наружная |
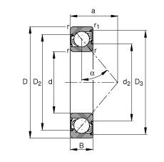
Габаритные размеры
Размеры и геометрические характеристики
Нагрузка и ресурс
Присоединительные размеры
Прочие характеристики