Главная > Подшипники> Шариковые> Радиально-упорные>7204-BE-TVP

7204-BE-TVP — Подшипник шариковый однорядный радиально-упорный, импортное производство по ISO стандарту, размер 20x47x14 номер основного исполнения 7204.
Производитель: NKE.
E = Увеличенная грузоподъемность. TVP = (сегментная сепаратор, код P) = сплошная оконная сепаратор из армированного стекловолокном полиамида PA66. Катание на роликах.
Цена от:1 103 р.
Цена на подшипник зависит от:
| Обозначение | Модификация |
|---|---|
| 7204 | Основное конструктивное исполнение. |
| 7204W | W = Без кольцевой канавки и смазочных отверстий в наружном кольце. |
| B7204 | |
| 7204AC | AC = Угол контакта 25 градусов. |
| 7204DB | D = профиль наружного кольца, усовершенствованный, с увеличенной зоной несущей нагрузки и оптимизированными краевыми переходами. |
| 7204BG | B = 40 градусов угол контакта. G = Однорядный радиально-упорный шарикоподшипник для универсального парного монтажа. Два подшипника, установленные по 0-образной или Х-образной схеме, будут иметь определенный осевой зазор в домонтажном состоянии. |
| 7204 B | B = однокомпонентное ребристое внутреннее кольцо. |
| S7204B | B = однокомпонентное ребристое внутреннее кольцо. |
| 7204 C | С = Необслуживаемые концы стержней, внутренняя резьба. |
| 7204DF | Комплект подшипников расположенных лицом к лицу, дуплексная Х-образная пара. |
| 7204BA | A = внутренняя модификация конструкции. |
| 7204WN | W = Без кольцевой канавки и смазочных отверстий в наружном кольце. |
| 7204AP | A = внутренняя модификация конструкции. |
| 7204DT | T = Механически обработанный сепаратор из текстолита, центрируемый по телам качения. |
| 7204 A | A = внутренняя модификация конструкции. |
| 7204CPA | С = Необслуживаемые концы стержней, внутренняя резьба. |
| 7204BEA | A = внутренняя модификация конструкции. |
| NC7204V | V = Увеличенная грузоподъемность, внутренняя модификация конструкции. |
| 7204BGA | B = 40 градусов угол контакта. G = Однорядный радиально-упорный шарикоподшипник для универсального парного монтажа. Два подшипника, установленные по 0-образной или Х-образной схеме, будут иметь определенный осевой зазор в домонтажном состоянии. |
| 7204 ADB | A = Модифицированная внутренняя конструкция. DB = два однорядных радиальных шарикоподшипника, однорядные радиально-упорные шарикоподшипники или однорядные конические роликовые подшипники, подходящие для монтажа в расположении друг к другу. |
| 7204 ADT | T = Механически обработанный сепаратор из текстолита, центрируемый по телам качения. |
| 7204 BDB | B = 40 градусов угол контакта. DB = два однорядных радиальных шарикоподшипника, однорядные радиально-упорные шарикоподшипники или однорядные конические роликовые подшипники, подходящие для монтажа в расположении друг за другом. |
| 7204 BDT | BD = Модифицированная внутренняя конструкция, угол контакта α = 30 градусов, без отверстия для заполнения. |
| 7204 BEP | Радиально-упорный шарикоподшипник с угол контакта - 40. Оптимизированная внутренняя конструкция. Сепаратор армирован стекловолокном с шаровым центром. |
| 7204 BDF | B = 40 градусов угол контакта. DF = Два однорядных радиальных шарикоподшипника, однорядных радиально-упорных шарикоподшипника или однорядных конических роликоподшипника, согласованные для монтажа по Х-образной схеме. |
| 7204 ADF | Комплект подшипников расположенных лицом к лицу, дуплексная Х-образная пара. |
| 7204 CDT | С = Необслуживаемые концы стержней, внутренняя резьба. |
| 7204 CDF | Комплект подшипников расположенных лицом к лицу, дуплексная Х-образная пара. |
| 7204 CDB | С = Необслуживаемые концы стержней, внутренняя резьба. |
| 7204 B-UO | B = однокомпонентное ребристое внутреннее кольцо. |
| 7204 B-UX | X = Внешние размеры, соответствующие международным стандартам. |
| 7204 A-UX | A = внутренняя модификация конструкции. |
| 7204 B-UD | D = профиль наружного кольца, усовершенствованный, с увеличенной зоной несущей нагрузки и оптимизированными краевыми переходами. |
| 7204 A-UD | A = внутренняя модификация конструкции. |
| 7204 C-UD | С = Необслуживаемые концы стержней, внутренняя резьба. |
| 7204B-2RS | Резиновые уплотнения с каждой стороны подшипника. |
| 7204-B-JP | B = однокомпонентное ребристое внутреннее кольцо. |
| 7204CTRSU | С = Необслуживаемые концы стержней, внутренняя резьба. |
| 7204 C-UX | С = Необслуживаемые концы стержней, внутренняя резьба. |
| 7204 C-UO | С = Необслуживаемые концы стержней, внутренняя резьба. |
| 7204 A-UO | A = внутренняя модификация конструкции. |
| 7204 BECBP | ЕС = эксцентриковый фиксатор воротника с утопленным внутренним кольцом на одной стороне. |
| 7204 BECBY | ЕС = эксцентриковый фиксатор воротника с утопленным внутренним кольцом на одной стороне. |
| 7204 CTBP4 | ТВ = текстолитовый сепаратор, центрируемый по внутреннему кольцу. |
| 7204 BEGBP | G = Однорядный радиально-упорный шарикоподшипник для универсального парного монтажа. Два подшипника, установленные по 0-образной или Х-образной схеме, будут иметь определенный осевой зазор в домонтажном состоянии. |
| 7204 BECBM | B = 40 градусов угол контакта. M = обработанный латунный сепаратор, расположенныйна элементах качения. |
| 7204-BE-MP | Радиально-упорный шарикоподшипник с углом контакта 40. Оптимизированная внутренняя конструкция. Обработанный латунный сепаратор центрируемый по шарику. |
| 7204 BECBJ | BE = однорядный радиально-упорный шарикоподшипник с углом контакта 40 градусов и оптимизированной внутренней конструкцией. CB = подшипник для универсального соответствия. Два подшипника, расположенные друг за другом или лицом к лицу, будут иметь нормальный осевой внутренний зазор перед монтажом. J = Прессованный стальной сепаратор оконного типа, сферическая по центру. |
| 7204-B-TVP | TVP = сегментный сепаратор, изготовленный из армированного стекловолокном полиамида PA66 направленная по роликам. |
| 7204A5TRSU | Угол контакта 25 градусов. |
| Техника | Модель | Агрегат |
|---|---|---|
| Трактор | МТЗ-100 | Дизель/насос топливный |
| Мототехника | ИМЗ-8.103-10-40 | Первичный вал коробки передач |
| Мототехника | ИМЗ-8.107 Урал | Первичный вал коробки передач |
| Мототехника | ИМЗ-8.123-10 | Первичный вал коробки передач |
| ПАЗ | 3201 | Система охлаждения двигателя |
| ПАЗ | 3205 | Система охлаждения двигателя |
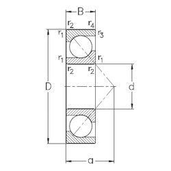
Габаритные размеры
Размеры и геометрические характеристики
Нагрузка и ресурс
Защита
Присоединительные размеры
Конструкция и исполнение
Однорядный цилиндрический роликовый подшипник NJ204 (CRAFT, FAG, FBJ, ISB, ISO)
Однорядный цилиндрический роликовый подшипник NU204 (CRAFT, FBJ, ISB, ISO, KOYO)
Подшипник шариковый радиально-упорный QJ204 (CX, ISO, NKE)
Подшипник шариковый радиально-упорный однорядный разъемный со съемным наружным кольцом с углом контакта 12 6204 (ГПЗ-11)
Подшипник шариковый радиальный 4-204 (ГПЗ-4)
Подшипник роликовый радиальный самоцентрирующийся 20204 (FAG, ISO, SIGMA)