Главная > Подшипники> Шариковые> Радиально-упорные>7203-BECB-MP

7203-BECB-MP — Подшипник шариковый однорядный радиально-упорный, импортное производство по ISO стандарту, размер 17x40x12 номер основного исполнения 7203.
Производитель: NKE.
B = 40 градусов угол контакта. M = обработанный латунный сепаратор, расположенныйна элементах качения.
Цена от:271 р.
Цена на подшипник зависит от:
| Обозначение | Модификация |
|---|---|
| 7203 | Основное конструктивное исполнение. |
| 7203C | С = Необслуживаемые концы стержней, внутренняя резьба. |
| B7203 | |
| 7203W | W = Без кольцевой канавки и смазочных отверстий в наружном кольце. |
| 7203DF | Комплект подшипников расположенных лицом к лицу, дуплексная Х-образная пара. |
| 7203DT | T = Механически обработанный сепаратор из текстолита, центрируемый по телам качения. |
| 7203AP | A = внутренняя модификация конструкции. |
| 7203AC | AC = Угол контакта 25 градусов. |
| 7203 B | B = однокомпонентное ребристое внутреннее кольцо. |
| 7203 A | A = внутренняя модификация конструкции. |
| S7203B | B = однокомпонентное ребристое внутреннее кольцо. |
| 7203BG | B = 40 градусов угол контакта. G = Однорядный радиально-упорный шарикоподшипник для универсального парного монтажа. Два подшипника, установленные по 0-образной или Х-образной схеме, будут иметь определенный осевой зазор в домонтажном состоянии. |
| 7203DB | D = профиль наружного кольца, усовершенствованный, с увеличенной зоной несущей нагрузки и оптимизированными краевыми переходами. |
| 7203CP5 | P5 = Подшипники 5-го класса точности DIN |
| 7203CPA | С = Необслуживаемые концы стержней, внутренняя резьба. |
| 7203BEA | A = внутренняя модификация конструкции. |
| 7203BGA | B = 40 градусов угол контакта. G = Однорядный радиально-упорный шарикоподшипник для универсального парного монтажа. Два подшипника, установленные по 0-образной или Х-образной схеме, будут иметь определенный осевой зазор в домонтажном состоянии. |
| 7203CDB | С = Необслуживаемые концы стержней, внутренняя резьба. |
| NC7203V | V = Увеличенная грузоподъемность, внутренняя модификация конструкции. |
| 7203BDB | B = 40 градусов угол контакта. DB = два однорядных радиальных шарикоподшипника, однорядные радиально-упорные шарикоподшипники или однорядные конические роликовые подшипники, подходящие для монтажа в расположении друг за другом. |
| 7203BDF | B = 40 градусов угол контакта. DF = Два однорядных радиальных шарикоподшипника, однорядных радиально-упорных шарикоподшипника или однорядных конических роликоподшипника, согласованные для монтажа по Х-образной схеме. |
| 7203CDF | Комплект подшипников расположенных лицом к лицу, дуплексная Х-образная пара. |
| 7203BDT | BD = Модифицированная внутренняя конструкция, угол контакта α = 30 градусов, без отверстия для заполнения. |
| 7203 CDT | С = Необслуживаемые концы стержней, внутренняя резьба. |
| 7203 BEY | Y = Штампованный латунный сепаратор, центрируемый по телам качения. |
| 7203 ADT | T = Механически обработанный сепаратор из текстолита, центрируемый по телам качения. |
| 7203 ADF | Комплект подшипников расположенных лицом к лицу, дуплексная Х-образная пара. |
| 7203 ADB | A = Модифицированная внутренняя конструкция. DB = два однорядных радиальных шарикоподшипника, однорядные радиально-упорные шарикоподшипники или однорядные конические роликовые подшипники, подходящие для монтажа в расположении друг к другу. |
| 7203 BEP | Радиально-упорный шарикоподшипник с угол контакта - 40. Оптимизированная внутренняя конструкция. Сепаратор армирован стекловолокном с шаровым центром. |
| 7203CTRSU | С = Необслуживаемые концы стержней, внутренняя резьба. |
| 7203 A-UD | A = внутренняя модификация конструкции. |
| 7203-B-JP | B = однокомпонентное ребристое внутреннее кольцо. |
| 7203 C-UX | С = Необслуживаемые концы стержней, внутренняя резьба. |
| 7203B-2RS | Резиновые уплотнения с каждой стороны подшипника. |
| 7203 A-UX | A = внутренняя модификация конструкции. |
| 7203 B-UD | D = профиль наружного кольца, усовершенствованный, с увеличенной зоной несущей нагрузки и оптимизированными краевыми переходами. |
| 7203 C-UD | С = Необслуживаемые концы стержней, внутренняя резьба. |
| 7203 B-UO | B = однокомпонентное ребристое внутреннее кольцо. |
| 7203 B-UX | X = Внешние размеры, соответствующие международным стандартам. |
| 7203 C-UO | С = Необслуживаемые концы стержней, внутренняя резьба. |
| 7203 A-UO | A = внутренняя модификация конструкции. |
| 7203CGNP4 | GN = нормальная предварительная нагрузка. P = Литой сепаратор из стеклонаполненного полиамида 6,6, центрируемый по телам качения. |
| 7203 BEGAP | Радиально-упорный шарикоподшипник с углом контакта 40. Оптимизированная внутренняя конструкция. Подшипник для универсального сопряжения. Два подшипника, расположенных вплотную друг к другу или лицом к лицу, имеют небольшой предварительный натяг. Сепаратор армирован стекловолокном. |
| 7203A5TRSU | Угол контакта 25 градусов. |
| 7203 CTBP4 | ТВ = текстолитовый сепаратор, центрируемый по внутреннему кольцу. |
| 7203-BE-MP | Радиально-упорный шарикоподшипник с углом контакта 40. Оптимизированная внутренняя конструкция. Обработанный латунный сепаратор центрируемый по шарику. |
| 7203 BECBP | ЕС = эксцентриковый фиксатор воротника с утопленным внутренним кольцом на одной стороне. |
| 7203 BECBM | B = 40 градусов угол контакта. M = обработанный латунный сепаратор, расположенныйна элементах качения. |
| 7203-B-TVP | TVP = сегментный сепаратор, изготовленный из армированного стекловолокном полиамида PA66 направленная по роликам. |
| 7203 ATBP4 | ТВ = текстолитовый сепаратор, центрируемый по внутреннему кольцу. |
| Техника | Модель | Агрегат |
|---|---|---|
| Погрузчик-экскаватор | ПЭ-0.8 | Колонна |
| ЗИУ | 683Б | Механизм открывания двери |
| ЗИУ | 9В(682В) | Механизм открывания двери |
| ЗАЗ | 965АР | Наружная опора передней ступицы колеса |
| ЗАЗ | 965А | Наружная опора передней ступицы колеса |
| ЗАЗ | 965Б | Наружная опора передней ступицы колеса |
| ЗАЗ | 965Р | Наружная опора передней ступицы колеса |
| ЗИУ | Механизм открывания двери |
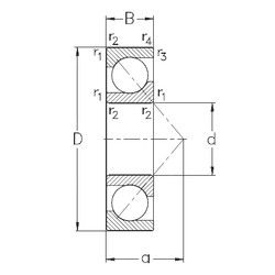
Габаритные размеры
Размеры и геометрические характеристики
Нагрузка и ресурс
Защита
Присоединительные размеры
Конструкция и исполнение
Однорядный цилиндрический роликовый подшипник N203 (AST, CYSD, ISB, ISO, NACHI)
Однорядный цилиндрический роликовый подшипник NJ203 (CYSD, FAG, ISB, ISO, NACHI)
Однорядный цилиндрический роликовый подшипник NU203 (CYSD, ISB, ISO, NACHI, NIS)
Подшипник шариковый радиальный 6-203
Подшипник шариковый радиальный сферический двухрядный с цилиндрическим отверстием внутреннего кольца 5-1203 (ГПЗ-2)
Подшипник шариковый радиальный 4-203 (ГПЗ-4)