Главная > Подшипники> Шариковые> Радиально-упорные>7202 BE-2RZP

7202 BE-2RZP — Подшипник шариковый однорядный радиально-упорный, импортное производство по ISO стандарту, размер 35x15x11 номер основного исполнения 7202.
Производитель: SKF.
BE = однорядный радиально-упорный шарикоподшипник с углом контакта 40 градусов и оптимизированной внутренней конструкцией. 2RZ = шарикоподшипник по DIN 623, два уплотнения с низким трением. P = Формованная литьем под давлением сепаратор оконного типа из армированного стекловолокном полиамида 6,6, сфокусированная на шарике.
Цена от:1 059 р.
Цена на подшипник зависит от:
| Обозначение | Модификация |
|---|---|
| 7202 | Основное конструктивное исполнение. |
| 7202W | W = Без кольцевой канавки и смазочных отверстий в наружном кольце. |
| B7202 | |
| 7202AC | AC = Угол контакта 25 градусов. |
| 7202 B | B = однокомпонентное ребристое внутреннее кольцо. |
| 7202 A | A = внутренняя модификация конструкции. |
| 7202DF | Комплект подшипников расположенных лицом к лицу, дуплексная Х-образная пара. |
| S7202B | B = однокомпонентное ребристое внутреннее кольцо. |
| 7202DB | D = профиль наружного кольца, усовершенствованный, с увеличенной зоной несущей нагрузки и оптимизированными краевыми переходами. |
| 7202 C | С = Необслуживаемые концы стержней, внутренняя резьба. |
| 7202BA | A = внутренняя модификация конструкции. |
| 7202BG | B = 40 градусов угол контакта. G = Однорядный радиально-упорный шарикоподшипник для универсального парного монтажа. Два подшипника, установленные по 0-образной или Х-образной схеме, будут иметь определенный осевой зазор в домонтажном состоянии. |
| 7202DT | T = Механически обработанный сепаратор из текстолита, центрируемый по телам качения. |
| NC7202V | V = Увеличенная грузоподъемность, внутренняя модификация конструкции. |
| 7202BEA | A = внутренняя модификация конструкции. |
| 7202CDB | С = Необслуживаемые концы стержней, внутренняя резьба. |
| 7202CDF | Комплект подшипников расположенных лицом к лицу, дуплексная Х-образная пара. |
| 7202CPA | С = Необслуживаемые концы стержней, внутренняя резьба. |
| 7202 BEP | Радиально-упорный шарикоподшипник с угол контакта - 40. Оптимизированная внутренняя конструкция. Сепаратор армирован стекловолокном с шаровым центром. |
| 7202 BDF | B = 40 градусов угол контакта. DF = Два однорядных радиальных шарикоподшипника, однорядных радиально-упорных шарикоподшипника или однорядных конических роликоподшипника, согласованные для монтажа по Х-образной схеме. |
| 7202 BDT | BD = Модифицированная внутренняя конструкция, угол контакта α = 30 градусов, без отверстия для заполнения. |
| 7202 BDB | B = 40 градусов угол контакта. DB = два однорядных радиальных шарикоподшипника, однорядные радиально-упорные шарикоподшипники или однорядные конические роликовые подшипники, подходящие для монтажа в расположении друг за другом. |
| 7202 CDT | С = Необслуживаемые концы стержней, внутренняя резьба. |
| 7202 ADB | A = Модифицированная внутренняя конструкция. DB = два однорядных радиальных шарикоподшипника, однорядные радиально-упорные шарикоподшипники или однорядные конические роликовые подшипники, подходящие для монтажа в расположении друг к другу. |
| 7202 ADT | T = Механически обработанный сепаратор из текстолита, центрируемый по телам качения. |
| 7202 ADF | Комплект подшипников расположенных лицом к лицу, дуплексная Х-образная пара. |
| 7202 C-UD | С = Необслуживаемые концы стержней, внутренняя резьба. |
| 7202 A-UO | A = внутренняя модификация конструкции. |
| 7202 B-UX | X = Внешние размеры, соответствующие международным стандартам. |
| 7202 C-UO | С = Необслуживаемые концы стержней, внутренняя резьба. |
| 7202CTRSU | С = Необслуживаемые концы стержней, внутренняя резьба. |
| 7202B-2RS | Резиновые уплотнения с каждой стороны подшипника. |
| 7202-B-JP | B = однокомпонентное ребристое внутреннее кольцо. |
| 7202 A-UD | A = внутренняя модификация конструкции. |
| 7202 C-UX | С = Необслуживаемые концы стержней, внутренняя резьба. |
| 7202 B-UO | B = однокомпонентное ребристое внутреннее кольцо. |
| 7202 B-UD | D = профиль наружного кольца, усовершенствованный, с увеличенной зоной несущей нагрузки и оптимизированными краевыми переходами. |
| 7202 A-UX | A = внутренняя модификация конструкции. |
| 7202 ATBP4 | ТВ = текстолитовый сепаратор, центрируемый по внутреннему кольцу. |
| 7202A5TRSU | Угол контакта 25 градусов. |
| 7202 BECBP | ЕС = эксцентриковый фиксатор воротника с утопленным внутренним кольцом на одной стороне. |
| 7202 BEGAP | Радиально-упорный шарикоподшипник с углом контакта 40. Оптимизированная внутренняя конструкция. Подшипник для универсального сопряжения. Два подшипника, расположенных вплотную друг к другу или лицом к лицу, имеют небольшой предварительный натяг. Сепаратор армирован стекловолокном. |
| 7202 BEGBP | G = Однорядный радиально-упорный шарикоподшипник для универсального парного монтажа. Два подшипника, установленные по 0-образной или Х-образной схеме, будут иметь определенный осевой зазор в домонтажном состоянии. |
| 7202-B-TVP | TVP = сегментный сепаратор, изготовленный из армированного стекловолокном полиамида PA66 направленная по роликам. |
| 7202 CTBP4 | ТВ = текстолитовый сепаратор, центрируемый по внутреннему кольцу. |
| 3NC 7202 FT | T = Механически обработанный сепаратор из текстолита, центрируемый по телам качения. |
| 7202CG/GNP4 | GN = нормальная предварительная нагрузка. P = Литой сепаратор из стеклонаполненного полиамида 6,6, центрируемый по телам качения. |
| 7202CG1UJ74 | J = Сепаратор стальной штампованный незакалённый. Сорт стали 7. |
| 7202 CD/P4A | CD = 15 градусов угол контакта. P4 = Точность размеров и вращения соответствуют классу точности 4 ISO. |
| 7202-BE-TVP | E = Увеличенная грузоподъемность. TVP = (сегментная сепаратор, код P) = сплошная оконная сепаратор из армированного стекловолокном полиамида PA66. Катание на роликах. |
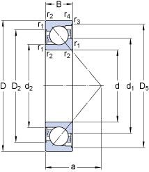
Габаритные размеры
Размеры и геометрические характеристики
Нагрузка и ресурс
Коэффициенты для расчета
Присоединительные размеры
Прочие характеристики
Однорядный цилиндрический роликовый подшипник NJ202 ECP (FAG, SKF)
Однорядный полимерный подшипник 6202/HR11TN (SKF)
Однорядный полимерный подшипник 6202/HR22Q2 (SKF)
Подшипник шариковый из нержавеющей стали W 6202-2RS1/VP311 (SKF)
Подшипник шариковый из нержавеющей стали W 6202-2Z (SKF)
Подшипник шариковый из нержавеющей стали W 6202-2RS1 (SKF)