Главная > Подшипники> Шариковые> Радиально-упорные>71964 AC

71964 AC — однорядный радиально-упорный шарикоподшипник, импортное производство по ISO стандарту, размер 440x320x56 номер основного исполнения .
Производитель: SKF.
AC = Угол контакта 25 градусов.
Цена по запросу
Цена на подшипник зависит от:
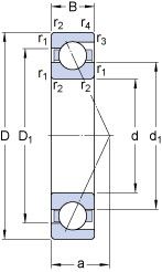
Габаритные размеры
Размеры и геометрические характеристики
Нагрузка и ресурс
Коэффициенты для расчета
Присоединительные размеры
Однорядный цилиндрический роликоподшипник NU 1964 ECMA (SKF)
Прецизионный радиально-упорный шарикоподшипник 71964 CDMA/HCP4A (SKF)
Подшипник шариковый однорядный радиально-упорный 71964 ACDMA/P4A (SKF)
Подшипник шариковый однорядный радиально-упорный 71964 CDMA/P4A (SKF)
Прецизионный радиально-упорный шарикоподшипник 71964 ACDMA/HCP4A (SKF)