Главная > Подшипники> Шариковые> Радиально-упорные>71952 CD/HCP4AL

71952 CD/HCP4AL — Прецизионный радиально-упорный шарикоподшипник, импортное производство по ISO стандарту, размер 360x260x46 номер основного исполнения .
Производитель: SKF.
P4 = Точность размеров и вращения соответствуют классу точности 4 ISO.
Цена по запросу
Цена на подшипник зависит от:
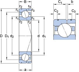
Габаритные размеры
Размеры и геометрические характеристики
Нагрузка и ресурс
Коэффициенты для расчета
Присоединительные размеры
Конструкция и исполнение
Прочие характеристики
Подшипник однорядный шариковый радиальный 61952 MA (ISB, NKE, SKF)
Прецизионный радиально-упорный шарикоподшипник 71952 CD/HCP4A (SKF)
Прецизионный радиально-упорный шарикоподшипник 71952 ACD/P4A (SKF)
Прецизионный радиально-упорный шарикоподшипник 71952 CD/P4AL (SKF)
Прецизионный радиально-упорный шарикоподшипник 71952 ACD/P4AL (SKF)
Прецизионный радиально-упорный шарикоподшипник 71952 ACD/HCP4A (SKF)