Главная > Подшипники> Шариковые> Радиально-упорные>71948 ACD/P4AL

71948 ACD/P4AL — Прецизионный радиально-упорный шарикоподшипник, импортное производство по ISO стандарту, размер 320x240x38 номер основного исполнения .
Производитель: SKF.
ACD = Угол контакта 25 градусов. P4 = Точность конструкции P4, точность хода P4.
Цена от:67 661 р.
Цена на подшипник зависит от:
Габаритные размеры
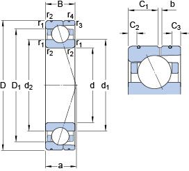
Размеры и геометрические характеристики
Нагрузка и ресурс
Коэффициенты для расчета
Присоединительные размеры
Конструкция и исполнение
Прочие характеристики
Подшипник однорядный шариковый радиальный 61948-MA (ISB, NKE, SKF)
Прецизионный радиально-упорный шарикоподшипник 71948 ACD/HCP4A (SKF)
Прецизионный радиально-упорный шарикоподшипник 71948 ACD/HCP4AL (SKF)
Прецизионный радиально-упорный шарикоподшипник 71948 CD/P4AL (SKF)
Прецизионный радиально-упорный шарикоподшипник 71948 ACD/P4A (SKF)
Прецизионный радиально-упорный шарикоподшипник 71948 CD/P4A (SKF)