Главная > Подшипники> Шариковые> Радиально-упорные>71940 CD/HCP4AH1

71940 CD/HCP4AH1 — Прецизионный радиально-упорный шарикоподшипник, импортное производство по ISO стандарту, размер 280x200x38 номер основного исполнения .
Производитель: SKF.
P4 = Точность размеров и вращения соответствуют классу точности 4 ISO.
Цена от:69 318 р.
Цена на подшипник зависит от:
Габаритные размеры
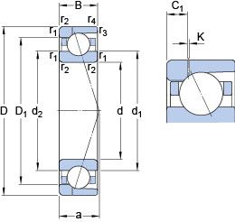
Размеры и геометрические характеристики
Нагрузка и ресурс
Коэффициенты для расчета
Присоединительные размеры
Конструкция и исполнение
Прочие характеристики
Прецизионный радиально-упорный шарикоподшипник 71940 ACD/P4A (SKF)
Прецизионный радиально-упорный шарикоподшипник 71940 CD/P4AH1 (SKF)
Прецизионный радиально-упорный шарикоподшипник 71940 ACD/HCP4AH1 (SKF)
Прецизионный радиально-упорный шарикоподшипник 71940 CD/HCP4A (SKF)
Прецизионный радиально-упорный шарикоподшипник 71940 ACD/HCP4A (SKF)
Прецизионный радиально-упорный шарикоподшипник 71940 ACD/P4AH1 (SKF)