Главная > Подшипники> Шариковые> Радиально-упорные>71934 CD/P4AH1

71934 CD/P4AH1 — Прецизионный радиально-упорный шарикоподшипник, импортное производство по ISO стандарту, размер 230x170x28 номер основного исполнения 71934.
Производитель: SKF.
CD = 15 градусов угол контакта. P4 = Точность размеров и вращения соответствуют классу точности 4 ISO.
Цена от:33 652 р.
Цена на подшипник зависит от:
| Обозначение | Модификация |
|---|---|
| 71934 | Основное конструктивное исполнение. |
| B71934 | |
| 71934C | С = Необслуживаемые концы стержней, внутренняя резьба. |
| 71934 A | A = внутренняя модификация конструкции. |
| H71934C | С = Необслуживаемые концы стержней, внутренняя резьба. |
| 71934HVUJ74 | J = Сепаратор стальной штампованный незакалённый. Сорт стали 7. |
| 71934 CTBP4 | ТВ = текстолитовый сепаратор, центрируемый по внутреннему кольцу. |
| 71934CVUJ74 | J = Сепаратор стальной штампованный незакалённый. Сорт стали 7. |
| 71934 ATBP4 | ТВ = текстолитовый сепаратор, центрируемый по внутреннему кольцу. |
| H71934C/HQ1 | С = Необслуживаемые концы стержней, внутренняя резьба. |
| 71934HVDUJ74 | DU = (RS1-SKF) = Уплотнительное контактное уплотнение из акрилонитрил-бутадиеновой резины (NBR) из листовой стали на одной стороне подшипника. |
| 71934CVDUJ74 | DU = (RS1-SKF) = Уплотнительное контактное уплотнение из акрилонитрил-бутадиеновой резины (NBR) из листовой стали на одной стороне подшипника. |
| 71934 CD/P4A | CD = 15 градусов угол контакта. P4 = Точность размеров и вращения соответствуют классу точности 4 ISO. |
| 71934 ACD/P4A | ACD = Угол контакта 25 градусов. P4 = Точность конструкции P4, точность хода P4. |
| 71934 CD/HCP4A | P4 = Точность размеров и вращения соответствуют классу точности 4 ISO. |
| B71934-C-T-P4S | T = Нейлоновая клетка, армированная стекловолокном (радиальные роликовые подшипники). P = Литой сепаратор из стеклонаполненного полиамида 6,6, центрируемый по телам качения. |
| B71934-E-T-P4S | E = (AC-SKF) = 25 градусов угол контакта. T = (сегмент TB-Cage) = текстильная слоистая Фенольный смола, направленная по наружному кольцу. сепаратор подходит для длительной эксплуатации при температуре до 100 градусов C. P = Литой сепаратор из стеклонаполненного полиамида 6,6, центрируемый по телам качения. |
| 71934 ACD/HCP4A | ACD = Угол контакта 25 градусов. |
| 71934 ACD/P4AH1 | ACD = Угол контакта 25 градусов. P4 = Точность конструкции P4, точность хода P4. |
| 71934 CD/HCP4AH1 | P4 = Точность размеров и вращения соответствуют классу точности 4 ISO. |
| HCB71934-C-T-P4S | T = Нейлоновая клетка, армированная стекловолокном (радиальные роликовые подшипники). P = Литой сепаратор из стеклонаполненного полиамида 6,6, центрируемый по телам качения. |
| HCB71934-E-T-P4S | E = (AC-SKF) = 25 градусов угол контакта. T = (сегмент TB-Cage) = текстильная слоистая Фенольный смола, направленная по наружному кольцу. сепаратор подходит для длительной эксплуатации при температуре до 100 градусов C. P = Литой сепаратор из стеклонаполненного полиамида 6,6, центрируемый по телам качения. |
| B71934 C.T.P4S.UL | C = угол контакта 15 градусов. T = (сегмент TB-Cage) = текстильная слоистая Фенольный смола, направленная по наружному кольцу. сепаратор подходит для длительной эксплуатации при температуре до 100 градусов C. P4S = (4S-Precision Segment) / (P4A-SKF) = (MMV-FAF) = Граничные размеры ISO 4, Abec-7, Точность хода ISO 2, Abec-9. U = конический роликоподшипник с уменьшенными допусками по ширине. |
| B71934 E.T.P4S.UL | E = 25 градусов угол контакта. T = текстильная слоистая фенольная смола, направленная по наружному кольцу. Клетка подходит для длительной эксплуатации при температуре до 100 градусов C. P4S = (4S = Прецизионный сегмент) / (P4A = SKF) = (MMV = FAF) = Граничные размеры ISO 4. UL = одиночный подшипник, универсальный, легкая предварительная нагрузка. |
| 71934 ACD/HCP4AH1 | ACD = Угол контакта 25 градусов. |
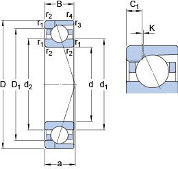
Габаритные размеры
Размеры и геометрические характеристики
Нагрузка и ресурс
Коэффициенты для расчета
Присоединительные размеры
Конструкция и исполнение
Прочие характеристики