Главная > Подшипники> Шариковые> Радиально-упорные>71928 CD/P4AL

71928 CD/P4AL — Прецизионный радиально-упорный шарикоподшипник, импортное производство по ISO стандарту, размер 190x140x24 номер основного исполнения .
Производитель: SKF.
CD = 15 градусов угол контакта. P4 = Точность размеров и вращения соответствуют классу точности 4 ISO.
Цена от:26 214 р.
Цена на подшипник зависит от:
Габаритные размеры
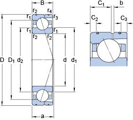
Размеры и геометрические характеристики
Нагрузка и ресурс
Коэффициенты для расчета
Присоединительные размеры
Конструкция и исполнение
Прочие характеристики
Подшипник однорядный шариковый радиальный 61928 (CX, ISO, NKE, SIGMA, SKF)
Подшипник однорядный шариковый радиальный 61928 MA (ISB, SKF)
Прецизионный радиально-упорный шарикоподшипник 71928 ACD/HCP4AH1 (SKF)
Прецизионный радиально-упорный шарикоподшипник 71928 ACD/P4AH1 (SKF)
Прецизионный радиально-упорный шарикоподшипник 71928 ACD/HCP4A (SKF)
Прецизионный радиально-упорный шарикоподшипник 71928 ACD/P4AL (SKF)