Главная > Подшипники> Шариковые> Радиально-упорные>71928 C-UX

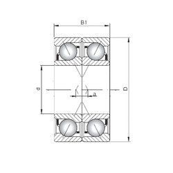
71928 C-UX — Подшипник шариковый радиально-упорный, импортное производство по ISO стандарту, размер 140x190x48 номер основного исполнения .
Производитель: CX.
X = Внешние размеры, соответствующие международным стандартам.
Цена от:26 214 р.
Цена на подшипник зависит от:
Габаритные размеры
Размеры и геометрические характеристики
Нагрузка и ресурс
Защита
Присоединительные размеры
Конструкция и исполнение
Подшипник шариковый радиально-упорный спаренный 1236928 (ГПЗ-4)
Радиально-упорный шарикоподшипник 71928CVDUJ74 (SNR)
Радиально-упорный шарикоподшипник 71928HVDUJ74 (SNR)
Подшипник шариковый радиально-упорный 71928 CDB (ISO)
Подшипник шариковый радиально-упорный 71928 C-UO (CX)
Подшипник шариковый радиально-упорный 71928 CDF (ISO)