Главная > Подшипники> Шариковые> Радиально-упорные>71926 ACD/HCP4AL

71926 ACD/HCP4AL — Прецизионный радиально-упорный шарикоподшипник, импортное производство по ISO стандарту, размер 180x130x24 номер основного исполнения .
Производитель: SKF.
ACD = Угол контакта 25 градусов.
Цена от:22 115 р.
Цена на подшипник зависит от:
Габаритные размеры
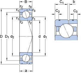
Размеры и геометрические характеристики
Нагрузка и ресурс
Коэффициенты для расчета
Присоединительные размеры
Конструкция и исполнение
Прочие характеристики
Прецизионный радиально-упорный шарикоподшипник 71926 ACD/P4AL (SKF)
Прецизионный радиально-упорный шарикоподшипник 71926 ACD/P4A (SKF)
Прецизионный радиально-упорный шарикоподшипник 71926 ACD/P4AH1 (SKF)
Прецизионный радиально-упорный шарикоподшипник 71926 ACD/HCP4AH1 (SKF)
Прецизионный радиально-упорный шарикоподшипник 71926 ACD/HCP4A (SKF)
Прецизионный радиально-упорный шарикоподшипник 71926 CD/P4AH1 (SKF)