Главная > Подшипники> Шариковые> Радиально-упорные>71921 CD/P4AL

71921 CD/P4AL — Прецизионный радиально-упорный шарикоподшипник, импортное производство по ISO стандарту, размер 145x105x20 номер основного исполнения .
Производитель: SKF.
CD = 15 градусов угол контакта. P4 = Точность размеров и вращения соответствуют классу точности 4 ISO.
Цена по запросу
Цена на подшипник зависит от:
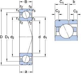
Габаритные размеры
Размеры и геометрические характеристики
Нагрузка и ресурс
Коэффициенты для расчета
Присоединительные размеры
Конструкция и исполнение
Прочие характеристики
Прецизионный радиально-упорный шарикоподшипник 71921 CD/HCP4AL (SKF)
Прецизионный радиально-упорный шарикоподшипник 71921 CD/HCP4A (SKF)
Подшипник шариковый однорядный радиально-упорный 71921 CD/P4A (SKF)
Прецизионный радиально-упорный шарикоподшипник 71921 CD/HCP4AH1 (SKF)
Прецизионный радиально-упорный шарикоподшипник 71921 ACD/P4AH1 (SKF)
Прецизионный радиально-упорный шарикоподшипник 71921 ACD/HCP4AL (SKF)