Главная > Подшипники> Шариковые> Радиально-упорные>71920 CD/HCP4AH1

71920 CD/HCP4AH1 — Прецизионный радиально-упорный шарикоподшипник, импортное производство по ISO стандарту, размер 140x100x20 номер основного исполнения .
Производитель: SKF.
P4 = Точность размеров и вращения соответствуют классу точности 4 ISO.
Цена от:13 012 р.
Цена на подшипник зависит от:
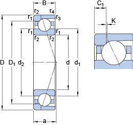
Габаритные размеры
Размеры и геометрические характеристики
Нагрузка и ресурс
Коэффициенты для расчета
Присоединительные размеры
Конструкция и исполнение
Прочие характеристики
Прецизионный радиально-упорный шарикоподшипник 71920 ACE/HCP4AL (SKF)
Прецизионный радиально-упорный шарикоподшипник 71920 ACE/P4A (SKF)
Прецизионный радиально-упорный шарикоподшипник 71920 ACD/HCP4AL (SKF)
Прецизионный радиально-упорный шарикоподшипник 71920 ACE/P4AL (SKF)
Прецизионный радиально-упорный шарикоподшипник 71920 ACB/P4AL (SKF)
Прецизионный радиально-упорный шарикоподшипник 71920 ACB/HCP4A (SKF)