Главная > Подшипники> Шариковые> Радиально-упорные>71920 C-UX

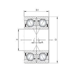
71920 C-UX — Подшипник шариковый радиально-упорный, импортное производство по ISO стандарту, размер 100x140x40 номер основного исполнения .
Производитель: CX.
X = Внешние размеры, соответствующие международным стандартам.
Цена от:13 012 р.
Цена на подшипник зависит от:
Габаритные размеры
Размеры и геометрические характеристики
Нагрузка и ресурс
Защита
Присоединительные размеры
Конструкция и исполнение
Подшипник роликовый цилиндрический двухрядный NNU4920 (CX, ISO, KOYO, NACHI, NSK)
Подшипник роликовый радиальный двухрядный с короткими цилиндрическими роликами с коническим отверстием внутреннего кольца с бортами на наружном кольце 4162920