Главная > Подшипники> Шариковые> Радиально-упорные>71914 ACB/HCP4AL

71914 ACB/HCP4AL — Прецизионный радиально-упорный шарикоподшипник, импортное производство по ISO стандарту, размер 100x70x16 номер основного исполнения 71914.
Производитель: SKF.
P4 = Точность размеров и вращения соответствуют классу точности 4 ISO.
Цена от:7 674 р.
Цена на подшипник зависит от:
| Обозначение | Модификация |
|---|---|
| 71914 | Основное конструктивное исполнение. |
| B71914 | |
| 71914 A | A = внутренняя модификация конструкции. |
| HS71914 | |
| 71914 C | С = Необслуживаемые концы стержней, внутренняя резьба. |
| 71914AC | AC = Угол контакта 25 градусов. |
| H71914AC | AC = Угол контакта 25 градусов. |
| 71914 CDB | С = Необслуживаемые концы стержней, внутренняя резьба. |
| 71914 CDF | Комплект подшипников расположенных лицом к лицу, дуплексная Х-образная пара. |
| 71914 CDT | С = Необслуживаемые концы стержней, внутренняя резьба. |
| 71914 C-UX | С = Необслуживаемые концы стержней, внутренняя резьба. |
| 71914 C-UD | С = Необслуживаемые концы стержней, внутренняя резьба. |
| 71914 C-UO | С = Необслуживаемые концы стержней, внутренняя резьба. |
| 71914CVUJ74 | J = Сепаратор стальной штампованный незакалённый. Сорт стали 7. |
| 71914HVUJ74 | J = Сепаратор стальной штампованный незакалённый. Сорт стали 7. |
| 71914 CTBP4 | ТВ = текстолитовый сепаратор, центрируемый по внутреннему кольцу. |
| 71914 ATBP4 | ТВ = текстолитовый сепаратор, центрируемый по внутреннему кольцу. |
| H71914C/HQ1 | С = Необслуживаемые концы стержней, внутренняя резьба. |
| 71914 CD/P4A | CD = 15 градусов угол контакта. P4 = Точность размеров и вращения соответствуют классу точности 4 ISO. |
| 71914HVDUJ74 | DU = (RS1-SKF) = Уплотнительное контактное уплотнение из акрилонитрил-бутадиеновой резины (NBR) из листовой стали на одной стороне подшипника. |
| 71914 CB/P4A | P4 = Точность размеров и вращения соответствуют классу точности 4 ISO. |
| 71914CVDUJ74 | DU = (RS1-SKF) = Уплотнительное контактное уплотнение из акрилонитрил-бутадиеновой резины (NBR) из листовой стали на одной стороне подшипника. |
| 71914 CE/P4A | P4 = Точность размеров и вращения соответствуют классу точности 4 ISO. |
| H71914AC/HQ1 | AC = Угол контакта 25 градусов. |
| 71914 ACE/P4A | AC = Угол контакта 25 градусов. |
| 71914 ACD/P4A | ACD = Угол контакта 25 градусов. P4 = Точность конструкции P4, точность хода P4. |
| 71914 CB/P4AL | P4 = Точность размеров и вращения соответствуют классу точности 4 ISO. |
| S71914 CD/P4A | CD = 15 градусов угол контакта. P4 = Точность размеров и вращения соответствуют классу точности 4 ISO. |
| 71914 ACB/P4A | AC = Угол контакта 25 градусов. |
| 71914 CD/P4AL | CD = 15 градусов угол контакта. P4 = Точность размеров и вращения соответствуют классу точности 4 ISO. |
| S71914 CE/P4A | P4 = Точность размеров и вращения соответствуют классу точности 4 ISO. |
| S71914 CB/P4A | P4 = Точность размеров и вращения соответствуют классу точности 4 ISO. |
| 71914 CE/P4AL | P4 = Точность размеров и вращения соответствуют классу точности 4 ISO. |
| 71914 ACB/P4AL | AC = Угол контакта 25 градусов. |
| ML71914HVUJ74S | J = Сепаратор стальной штампованный незакалённый. Сорт стали 7. |
| ML71914CVUJ74S | J = Сепаратор стальной штампованный незакалённый. Сорт стали 7. |
| 71914 ACE/P4AL | AC = Угол контакта 25 градусов. |
| 71914 CD/HCP4A | P4 = Точность размеров и вращения соответствуют классу точности 4 ISO. |
| 71914 CB/HCP4A | P4 = Точность размеров и вращения соответствуют классу точности 4 ISO. |
| S71914 ACE/P4A | AC = Угол контакта 25 градусов. |
| 71914 CD/P4AH1 | CD = 15 градусов угол контакта. P4 = Точность размеров и вращения соответствуют классу точности 4 ISO. |
| S71914 ACB/P4A | AC = Угол контакта 25 градусов. |
| S71914 ACD/P4A | ACD = Угол контакта 25 градусов. P4 = Точность конструкции P4, точность хода P4. |
| 71914 ACD/P4AL | ACD = Угол контакта 25 градусов. P4 = Точность конструкции P4, точность хода P4. |
| B71914-E-T-P4S | E = (AC-SKF) = 25 градусов угол контакта. T = (сегмент TB-Cage) = текстильная слоистая Фенольный смола, направленная по наружному кольцу. сепаратор подходит для длительной эксплуатации при температуре до 100 градусов C. P = Литой сепаратор из стеклонаполненного полиамида 6,6, центрируемый по телам качения. |
| B71914-C-T-P4S | T = Нейлоновая клетка, армированная стекловолокном (радиальные роликовые подшипники). P = Литой сепаратор из стеклонаполненного полиамида 6,6, центрируемый по телам качения. |
| 71914 CE/P4AH1 | P4 = Точность размеров и вращения соответствуют классу точности 4 ISO. |
| 71914 CE/HCP4A | P4 = Точность размеров и вращения соответствуют классу точности 4 ISO. |
| HS71914-E-T-P4S | Высокоскоростной шпиндельный подшипник. E = (AC-SKF) = 25 градусов угол контакта. T = (сегмент TB-Cage) = текстильная слоистая Фенольный смола, направленная по наружному кольцу. сепаратор подходит для длительной эксплуатации при температуре до 100 градусов C. P = Литой сепаратор из стеклонаполненного полиамида 6,6, центрируемый по телам качения. |
| HS71914-C-T-P4S | Высокоскоростной шпиндельный подшипник. T = Нейлоновая клетка, армированная стекловолокном (радиальные роликовые подшипники). P = Литой сепаратор из стеклонаполненного полиамида 6,6, центрируемый по телам качения. |
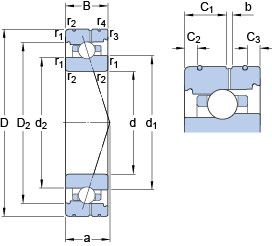
Габаритные размеры
Размеры и геометрические характеристики
Нагрузка и ресурс
Коэффициенты для расчета
Присоединительные размеры
Конструкция и исполнение
Прочие характеристики
Подшипник однорядный шариковый радиальный 61914 (CRAFT, CX, FAG, INA, ISB)
Подшипник однорядный шариковый радиальный 61914-2RS1 (SKF)
радиальный шарикоподшипник из нержавеющей стали W 61914 (SKF)
радиальный шарикоподшипник из нержавеющей стали W 61914-2Z (SKF)
Подшипник шариковый из нержавеющей стали W 61914-2RS1 (SKF)