Главная > Подшипники> Шариковые> Радиально-упорные>71913 ACE/HCP4AL

71913 ACE/HCP4AL — Прецизионный радиально-упорный шарикоподшипник, импортное производство по ISO стандарту, размер 90x65x13 номер основного исполнения 71913.
Производитель: SKF.
P4 = Точность размеров и вращения соответствуют классу точности 4 ISO.
Цена от:6 788 р.
Цена на подшипник зависит от:
| Обозначение | Модификация |
|---|---|
| 71913 | Основное конструктивное исполнение. |
| 71913 A | A = внутренняя модификация конструкции. |
| HS71913 | |
| 71913 C | С = Необслуживаемые концы стержней, внутренняя резьба. |
| 71913 CDT | С = Необслуживаемые концы стержней, внутренняя резьба. |
| 71913 CDB | С = Необслуживаемые концы стержней, внутренняя резьба. |
| 71913 CDF | Комплект подшипников расположенных лицом к лицу, дуплексная Х-образная пара. |
| 71913 C-UX | С = Необслуживаемые концы стержней, внутренняя резьба. |
| 71913 C-UD | С = Необслуживаемые концы стержней, внутренняя резьба. |
| 71913 C-UO | С = Необслуживаемые концы стержней, внутренняя резьба. |
| 71913 ATBP4 | ТВ = текстолитовый сепаратор, центрируемый по внутреннему кольцу. |
| 71913CVUJ74 | J = Сепаратор стальной штампованный незакалённый. Сорт стали 7. |
| 71913HVUJ74 | J = Сепаратор стальной штампованный незакалённый. Сорт стали 7. |
| 71913 CTBP4 | ТВ = текстолитовый сепаратор, центрируемый по внутреннему кольцу. |
| 71913HVDUJ74 | DU = (RS1-SKF) = Уплотнительное контактное уплотнение из акрилонитрил-бутадиеновой резины (NBR) из листовой стали на одной стороне подшипника. |
| 71913 CD/P4A | CD = 15 градусов угол контакта. P4 = Точность размеров и вращения соответствуют классу точности 4 ISO. |
| 71913 CB/P4A | P4 = Точность размеров и вращения соответствуют классу точности 4 ISO. |
| 71913HVQUJ74 | J = Сепаратор стальной штампованный незакалённый. Сорт стали 7. |
| 71913CVDUJ74 | DU = (RS1-SKF) = Уплотнительное контактное уплотнение из акрилонитрил-бутадиеновой резины (NBR) из листовой стали на одной стороне подшипника. |
| 71913 CE/P4A | P4 = Точность размеров и вращения соответствуют классу точности 4 ISO. |
| 71913 CD/P4AL | CD = 15 градусов угол контакта. P4 = Точность размеров и вращения соответствуют классу точности 4 ISO. |
| S71913 CD/P4A | CD = 15 градусов угол контакта. P4 = Точность размеров и вращения соответствуют классу точности 4 ISO. |
| S71913 CB/P4A | P4 = Точность размеров и вращения соответствуют классу точности 4 ISO. |
| 71913 ACE/P4A | AC = Угол контакта 25 градусов. |
| 71913 CE/P4AL | P4 = Точность размеров и вращения соответствуют классу точности 4 ISO. |
| 71913 ACB/P4A | AC = Угол контакта 25 градусов. |
| 71913 CB/P4AL | P4 = Точность размеров и вращения соответствуют классу точности 4 ISO. |
| S71913 CE/P4A | P4 = Точность размеров и вращения соответствуют классу точности 4 ISO. |
| 71913 ACD/P4A | ACD = Угол контакта 25 градусов. P4 = Точность конструкции P4, точность хода P4. |
| ML71913CVUJ74S | J = Сепаратор стальной штампованный незакалённый. Сорт стали 7. |
| 71913 CE/HCP4A | P4 = Точность размеров и вращения соответствуют классу точности 4 ISO. |
| ML71913HVUJ74S | J = Сепаратор стальной штампованный незакалённый. Сорт стали 7. |
| S71913 ACB/P4A | AC = Угол контакта 25 градусов. |
| 71913 CB/HCP4A | P4 = Точность размеров и вращения соответствуют классу точности 4 ISO. |
| 71913 CDGA.P4A | P4 = Точность размеров и вращения соответствуют классу точности 4 ISO. |
| 71913 CD/HCP4A | P4 = Точность размеров и вращения соответствуют классу точности 4 ISO. |
| S71913 ACD/P4A | ACD = Угол контакта 25 градусов. P4 = Точность конструкции P4, точность хода P4. |
| 71913 ACE/P4AL | AC = Угол контакта 25 градусов. |
| 71913 CE/P4AH1 | P4 = Точность размеров и вращения соответствуют классу точности 4 ISO. |
| S71913 ACE/P4A | AC = Угол контакта 25 градусов. |
| B71913-E-T-P4S | E = (AC-SKF) = 25 градусов угол контакта. T = (сегмент TB-Cage) = текстильная слоистая Фенольный смола, направленная по наружному кольцу. сепаратор подходит для длительной эксплуатации при температуре до 100 градусов C. P = Литой сепаратор из стеклонаполненного полиамида 6,6, центрируемый по телам качения. |
| B71913-C-T-P4S | T = Нейлоновая клетка, армированная стекловолокном (радиальные роликовые подшипники). P = Литой сепаратор из стеклонаполненного полиамида 6,6, центрируемый по телам качения. |
| 71913 ACB/P4AL | AC = Угол контакта 25 градусов. |
| HS71913-E-T-P4S | Высокоскоростной шпиндельный подшипник. E = (AC-SKF) = 25 градусов угол контакта. T = (сегмент TB-Cage) = текстильная слоистая Фенольный смола, направленная по наружному кольцу. сепаратор подходит для длительной эксплуатации при температуре до 100 градусов C. P = Литой сепаратор из стеклонаполненного полиамида 6,6, центрируемый по телам качения. |
| 71913 CB/HCP4AL | P4 = Точность размеров и вращения соответствуют классу точности 4 ISO. |
| ML71913HVDUJ74S | H = 25 градусов угол контакта. V = ламинированная Фенольный сепаратор с центром на наружном кольце. DU = угловой контакт подшипники в сборе с двумя подшипниками, может быть подобран DB, DF или ЮТ. J74 = точность размеров и хода по классу допуска Iso 4 (более точный, чем P5) -Abec7, 7 = легкая предварительная нагрузка. |
| ML71913CVDUJ74S | DU = (RS1-SKF) = Уплотнительное контактное уплотнение из акрилонитрил-бутадиеновой резины (NBR) из листовой стали на одной стороне подшипника. |
| MLE71913HVUJ74S | J = Сепаратор стальной штампованный незакалённый. Сорт стали 7. |
| MLE71913CVUJ74S | J = Сепаратор стальной штампованный незакалённый. Сорт стали 7. |
| S71913 CE/HCP4A | P4 = Точность размеров и вращения соответствуют классу точности 4 ISO. |
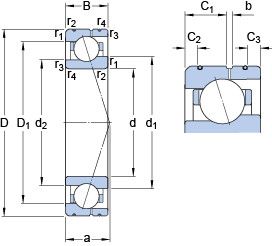
Габаритные размеры
Размеры и геометрические характеристики
Нагрузка и ресурс
Коэффициенты для расчета
Присоединительные размеры
Конструкция и исполнение
Прочие характеристики
Подшипник однорядный шариковый радиальный 61913-2RS1 (SKF)
радиальный шарикоподшипник из нержавеющей стали W 61913 (SKF)
радиальный шарикоподшипник из нержавеющей стали W 61913-2Z (SKF)
радиальный шарикоподшипник из нержавеющей стали W 61913-2RS1 (SKF)