Главная > Подшипники> Шариковые> Радиально-упорные>71911 ACE/P4AH1

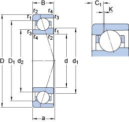
71911 ACE/P4AH1 — Прецизионный радиально-упорный шарикоподшипник, импортное производство по ISO стандарту, размер 80x55x13 номер основного исполнения .
Производитель: SKF.
P4 = Точность размеров и вращения соответствуют классу точности 4 ISO.
Цена от:11 679 р.
Цена на подшипник зависит от:
Габаритные размеры
Размеры и геометрические характеристики
Нагрузка и ресурс
Коэффициенты для расчета
Присоединительные размеры
Конструкция и исполнение
Прочие характеристики
Подшипник однорядный шариковый радиальный 61911-2RZ (ISB, SKF)
Подшипник однорядный шариковый радиальный 61911-2RS1 (SKF)
радиальный шарикоподшипник из нержавеющей стали W 61911-2Z (SKF)
радиальный шарикоподшипник из нержавеющей стали W 61911 (SKF)
радиальный шарикоподшипник из нержавеющей стали W 61911-2RS1 (SKF)
Прецизионный радиально-упорный шарикоподшипник 71911 ACB/P4AL (SKF)