Главная > Подшипники> Шариковые> Радиально-упорные>71908 ACB/HCP4AL

71908 ACB/HCP4AL — Прецизионный радиально-упорный шарикоподшипник, импортное производство по ISO стандарту, размер 62x40x12 номер основного исполнения .
Производитель: SKF.
P4 = Точность размеров и вращения соответствуют классу точности 4 ISO.
Цена от:4 035 р.
Цена на подшипник зависит от:
Габаритные размеры
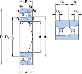
Размеры и геометрические характеристики
Нагрузка и ресурс
Коэффициенты для расчета
Присоединительные размеры
Конструкция и исполнение
Прочие характеристики
Подшипник шариковый из нержавеющей стали W 61908-2RS1 (SKF)
радиальный шарикоподшипник из нержавеющей стали W 61908-2Z (SKF)
радиальный шарикоподшипник из нержавеющей стали с наружным кольцом с фланцем W 61908 R-2Z (SKF)
радиальный шарикоподшипник из нержавеющей стали W 61908-2RZ (SKF)
радиальный шарикоподшипник из нержавеющей стали W 61908 (SKF)
Прецизионный радиально-упорный шарикоподшипник 71908 ACE/HCP4A (SKF)