Главная > Подшипники> Шариковые> Радиально-упорные>71907 ACE/HCP4AL

71907 ACE/HCP4AL — Прецизионный радиально-упорный шарикоподшипник, импортное производство по ISO стандарту, размер 55x35x10 номер основного исполнения 71907.
Производитель: SKF.
P4 = Точность размеров и вращения соответствуют классу точности 4 ISO.
Цена от:3 631 р.
Цена на подшипник зависит от:
| Обозначение | Модификация |
|---|---|
| 71907 | Основное конструктивное исполнение. |
| B71907 | |
| 71907 C | С = Необслуживаемые концы стержней, внутренняя резьба. |
| HS71907 | |
| 71907 A | A = внутренняя модификация конструкции. |
| 71907 CDF | Комплект подшипников расположенных лицом к лицу, дуплексная Х-образная пара. |
| 71907 CDT | С = Необслуживаемые концы стержней, внутренняя резьба. |
| 71907 CDB | С = Необслуживаемые концы стержней, внутренняя резьба. |
| 71907 C-UO | С = Необслуживаемые концы стержней, внутренняя резьба. |
| 71907 C-UX | С = Необслуживаемые концы стержней, внутренняя резьба. |
| 71907 C-UD | С = Необслуживаемые концы стержней, внутренняя резьба. |
| 71907CVUJ74 | J = Сепаратор стальной штампованный незакалённый. Сорт стали 7. |
| 71907HVUJ74 | J = Сепаратор стальной штампованный незакалённый. Сорт стали 7. |
| 71907 ATBP4 | ТВ = текстолитовый сепаратор, центрируемый по внутреннему кольцу. |
| 71907 CTBP4 | ТВ = текстолитовый сепаратор, центрируемый по внутреннему кольцу. |
| 71907CVQUJ74 | J = Сепаратор стальной штампованный незакалённый. Сорт стали 7. |
| 71907CVDUJ74 | DU = (RS1-SKF) = Уплотнительное контактное уплотнение из акрилонитрил-бутадиеновой резины (NBR) из листовой стали на одной стороне подшипника. |
| 71907HVDUJ74 | DU = (RS1-SKF) = Уплотнительное контактное уплотнение из акрилонитрил-бутадиеновой резины (NBR) из листовой стали на одной стороне подшипника. |
| 71907 CE/P4A | P4 = Точность размеров и вращения соответствуют классу точности 4 ISO. |
| 71907 CD/P4A | CD = 15 градусов угол контакта. P4 = Точность размеров и вращения соответствуют классу точности 4 ISO. |
| 71907 CB/P4A | P4 = Точность размеров и вращения соответствуют классу точности 4 ISO. |
| 71907 ACD/P4A | ACD = Угол контакта 25 градусов. P4 = Точность конструкции P4, точность хода P4. |
| S71907 CB/P4A | P4 = Точность размеров и вращения соответствуют классу точности 4 ISO. |
| 71907 ACB/P4A | AC = Угол контакта 25 градусов. |
| 71907 CE/P4AL | P4 = Точность размеров и вращения соответствуют классу точности 4 ISO. |
| 71907 CE/P4AH | P4 = Точность размеров и вращения соответствуют классу точности 4 ISO. |
| 71907 ACE/P4A | AC = Угол контакта 25 градусов. |
| 71907 CDGA.P4 | P4 = Точность размеров и вращения соответствуют классу точности 4 ISO. |
| S71907 CE/P4A | P4 = Точность размеров и вращения соответствуют классу точности 4 ISO. |
| S71907 CD/P4A | CD = 15 градусов угол контакта. P4 = Точность размеров и вращения соответствуют классу точности 4 ISO. |
| B71907-E-T-P4S | E = (AC-SKF) = 25 градусов угол контакта. T = (сегмент TB-Cage) = текстильная слоистая Фенольный смола, направленная по наружному кольцу. сепаратор подходит для длительной эксплуатации при температуре до 100 градусов C. P = Литой сепаратор из стеклонаполненного полиамида 6,6, центрируемый по телам качения. |
| B71907-C-T-P4S | T = Нейлоновая клетка, армированная стекловолокном (радиальные роликовые подшипники). P = Литой сепаратор из стеклонаполненного полиамида 6,6, центрируемый по телам качения. |
| 71907 ACE/P4AH | AC = Угол контакта 25 градусов. |
| ML71907HVUJ74S | J = Сепаратор стальной штампованный незакалённый. Сорт стали 7. |
| ML71907CVUJ74S | J = Сепаратор стальной штампованный незакалённый. Сорт стали 7. |
| 71907 CD/HCP4A | P4 = Точность размеров и вращения соответствуют классу точности 4 ISO. |
| S71907 ACD/P4A | ACD = Угол контакта 25 градусов. P4 = Точность конструкции P4, точность хода P4. |
| 71907 ACE/P4AL | AC = Угол контакта 25 градусов. |
| 71907 CB/HCP4A | P4 = Точность размеров и вращения соответствуют классу точности 4 ISO. |
| S71907 ACB/P4A | AC = Угол контакта 25 градусов. |
| 71907 CE/HCP4A | P4 = Точность размеров и вращения соответствуют классу точности 4 ISO. |
| S71907 ACE/P4A | AC = Угол контакта 25 градусов. |
| HC71907-E-T-P4S | E = (AC-SKF) = 25 градусов угол контакта. T = (сегмент TB-Cage) = текстильная слоистая Фенольный смола, направленная по наружному кольцу. сепаратор подходит для длительной эксплуатации при температуре до 100 градусов C. P = Литой сепаратор из стеклонаполненного полиамида 6,6, центрируемый по телам качения. |
| 71907 ACE/HCP4A | AC = Угол контакта 25 градусов. |
| HS71907-C-T-P4S | Высокоскоростной шпиндельный подшипник. T = Нейлоновая клетка, армированная стекловолокном (радиальные роликовые подшипники). P = Литой сепаратор из стеклонаполненного полиамида 6,6, центрируемый по телам качения. |
| HS71907-E-T-P4S | Высокоскоростной шпиндельный подшипник. E = (AC-SKF) = 25 градусов угол контакта. T = (сегмент TB-Cage) = текстильная слоистая Фенольный смола, направленная по наружному кольцу. сепаратор подходит для длительной эксплуатации при температуре до 100 градусов C. P = Литой сепаратор из стеклонаполненного полиамида 6,6, центрируемый по телам качения. |
| 71907 CE/HCP4AL | P4 = Точность размеров и вращения соответствуют классу точности 4 ISO. |
| ML71907CVDUJ74S | DU = (RS1-SKF) = Уплотнительное контактное уплотнение из акрилонитрил-бутадиеновой резины (NBR) из листовой стали на одной стороне подшипника. |
| ML71907HVDUJ74S | H = 25 градусов угол контакта. V = ламинированная Фенольный сепаратор с центром на наружном кольце. DU = угловой контакт подшипники в сборе с двумя подшипниками, может быть подобран DB, DF или ЮТ. J74 = точность размеров и хода по классу допуска Iso 4 (более точный, чем P5) -Abec7, 7 = легкая предварительная нагрузка. |
| MLE71907CVUJ74S | J = Сепаратор стальной штампованный незакалённый. Сорт стали 7. |
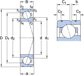
Габаритные размеры
Размеры и геометрические характеристики
Нагрузка и ресурс
Коэффициенты для расчета
Присоединительные размеры
Конструкция и исполнение
Прочие характеристики
радиальный шарикоподшипник из нержавеющей стали W 61907 (SKF)
радиальный шарикоподшипник из нержавеющей стали W 61907-2RZ (SKF)
радиальный шарикоподшипник из нержавеющей стали с наружным кольцом с фланцем W 61907 R (SKF)
радиальный шарикоподшипник из нержавеющей стали W 61907-2RS1 (SKF)
радиальный шарикоподшипник из нержавеющей стали W 61907-2Z (SKF)