Главная > Подшипники> Шариковые> Радиально-упорные>71905 ACE/P4AL

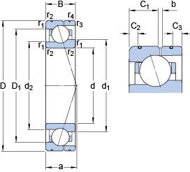
71905 ACE/P4AL — Прецизионный радиально-упорный шарикоподшипник, импортное производство по ISO стандарту, размер 42x25x9 номер основного исполнения .
Производитель: SKF.
P4 = Точность размеров и вращения соответствуют классу точности 4 ISO.
Цена от:3 643 р.
Цена на подшипник зависит от:
Габаритные размеры
Размеры и геометрические характеристики
Нагрузка и ресурс
Коэффициенты для расчета
Присоединительные размеры
Конструкция и исполнение
Прочие характеристики
Подшипник однорядный шариковый радиальный 61905 2RS1 (FAG, SKF)
радиальный шарикоподшипник из нержавеющей стали с наружным кольцом с фланцем W 61905 R-2Z (SKF)
радиальный шарикоподшипник из нержавеющей стали W 61905-2RZ (SKF)
радиальный шарикоподшипник из нержавеющей стали W 61905-2Z (SKF)
Подшипник шариковый из нержавеющей стали W 61905-2RS1 (SKF)
радиальный шарикоподшипник из нержавеющей стали W 61905 (SKF)