Главная > Подшипники> Шариковые> Радиально-упорные>71904 CE/P4AL

71904 CE/P4AL — Прецизионный радиально-упорный шарикоподшипник, импортное производство по ISO стандарту, размер 37x20x9 номер основного исполнения .
Производитель: SKF.
P4 = Точность размеров и вращения соответствуют классу точности 4 ISO.
Цена от:3 524 р.
Цена на подшипник зависит от:
Габаритные размеры
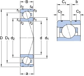
Размеры и геометрические характеристики
Нагрузка и ресурс
Коэффициенты для расчета
Присоединительные размеры
Конструкция и исполнение
Прочие характеристики
Подшипник однорядный шариковый радиальный 61904 2RS1 (FAG, SKF)
Подшипник однорядный шариковый радиальный 61904 2RZ (FAG, ISB, SKF)
Подшипник шариковый из нержавеющей стали W 61904 (SKF)
Подшипник шариковый из нержавеющей стали W 61904-2RS1 (SKF)
радиальный шарикоподшипник из нержавеющей стали W 61904-2Z (SKF)
радиальный шарикоподшипник из нержавеющей стали с наружным кольцом с фланцем W 61904 R-2Z (SKF)