Главная > Подшипники> Шариковые> Радиально-упорные>71903 CE/HCP4AH

71903 CE/HCP4AH — Прецизионный радиально-упорный шарикоподшипник, импортное производство по ISO стандарту, размер 30x17x7 номер основного исполнения .
Производитель: SKF.
P4 = Точность размеров и вращения соответствуют классу точности 4 ISO.
Цена от:3 362 р.
Цена на подшипник зависит от:
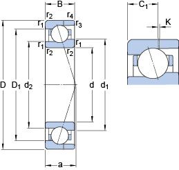
Габаритные размеры
Размеры и геометрические характеристики
Нагрузка и ресурс
Коэффициенты для расчета
Присоединительные размеры
Конструкция и исполнение
Прочие характеристики
Подшипник однорядный шариковый радиальный 61903-2RZ (SKF)
Подшипник однорядный шариковый радиальный 61903-2RS1 (SKF)
Подшипник шариковый из нержавеющей стали W 61903 (SKF)
радиальный шарикоподшипник из нержавеющей стали W 61903-2RZ (SKF)
радиальный шарикоподшипник из нержавеющей стали с наружным кольцом с фланцем W 61903 R (SKF)
Подшипник шариковый из нержавеющей стали W 61903-2RS1 (SKF)