Главная > Подшипники> Шариковые> Радиально-упорные>71903 CDF

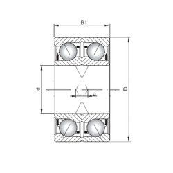
71903 CDF — Подшипник шариковый радиально-упорный, импортное производство по ISO стандарту, размер 17x30x14 номер основного исполнения .
Производитель: ISO.
Комплект подшипников расположенных лицом к лицу, дуплексная Х-образная пара.
Цена от:3 362 р.
Цена на подшипник зависит от:
Габаритные размеры
Размеры и геометрические характеристики
Защита
Присоединительные размеры
Конструкция и исполнение
Сферический подшипник скольжения GE17 AW (ELGES, INA, ISO)
Роликовый игольчатый подшипник NA4903 RS (KOYO, NBS, NKE, SKF)
Подшипник шарнирный 1-ЕШСП17КИ
Подшипник шариковый радиальный самоцентрирующийся GE 17 BBL (ISB)
Роликовый игольчатый подшипник NA 4903.2RS (CRAFT, CX, ISO, KOYO, NBS)
Роликовый игольчатый подшипник NA 4903UU (IKO, JNS)