Главная > Подшипники> Шариковые> Радиально-упорные>71901 ACE/P4AH

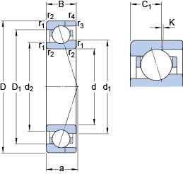
71901 ACE/P4AH — Прецизионный радиально-упорный шарикоподшипник, импортное производство по ISO стандарту, размер 24x12x6 номер основного исполнения .
Производитель: SKF.
P4 = Точность размеров и вращения соответствуют классу точности 4 ISO.
Цена от:3 406 р.
Цена на подшипник зависит от:
Габаритные размеры
Размеры и геометрические характеристики
Нагрузка и ресурс
Коэффициенты для расчета
Присоединительные размеры
Конструкция и исполнение
Прочие характеристики
радиальный шарикоподшипник из нержавеющей стали W 61901-2RZ (SKF)
Подшипник шариковый из нержавеющей стали W 61901 (SKF)
Подшипник шариковый из нержавеющей стали W 61901-2RS1 (SKF)
Подшипник шариковый из нержавеющей стали W 61901-2Z (SKF)
Прецизионный радиально-упорный шарикоподшипник 71901 CD/HCP4A (SKF)
Прецизионный радиально-упорный шарикоподшипник 71901 ACE/HCP4A (SKF)