Главная > Подшипники> Шариковые> Радиально-упорные>71900 ACE/HCP4AH

71900 ACE/HCP4AH — Прецизионный радиально-упорный шарикоподшипник, импортное производство по ISO стандарту, размер 22x10x6 номер основного исполнения .
Производитель: SKF.
P4 = Точность размеров и вращения соответствуют классу точности 4 ISO.
Цена от:3 242 р.
Цена на подшипник зависит от:
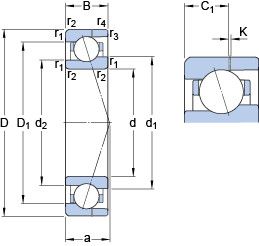
Габаритные размеры
Размеры и геометрические характеристики
Нагрузка и ресурс
Коэффициенты для расчета
Присоединительные размеры
Конструкция и исполнение
Прочие характеристики
радиальный шарикоподшипник из нержавеющей стали W 61900 (SKF)
радиальный шарикоподшипник из нержавеющей стали W 61900-2RS1 (SKF)
Подшипник шариковый из нержавеющей стали W 61900-2Z (SKF)
радиальный шарикоподшипник из нержавеющей стали W 61900-2RZ (SKF)
Прецизионный радиально-упорный шарикоподшипник 71900 CE/HCP4AH (SKF)
Прецизионный радиально-упорный шарикоподшипник 71900 ACD/HCP4A (SKF)