Главная > Подшипники> Шариковые> Радиально-упорные>719/9 ACE/P4AH

719/9 ACE/P4AH — Прецизионный радиально-упорный шарикоподшипник, импортное производство по ISO стандарту, размер 20x9x6 номер основного исполнения .
Производитель: SKF.
P4 = Точность размеров и вращения соответствуют классу точности 4 ISO.
Цена по запросу
Цена на подшипник зависит от:
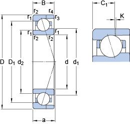
Габаритные размеры
Размеры и геометрические характеристики
Нагрузка и ресурс
Коэффициенты для расчета
Присоединительные размеры
Конструкция и исполнение
Прочие характеристики
радиальный шарикоподшипник из нержавеющей стали W 619/9 (SKF)
радиальный шарикоподшипник из нержавеющей стали W 619/9-2RZ (SKF)
радиальный шарикоподшипник из нержавеющей стали W 619/9-2RS1 (SKF)
радиальный шарикоподшипник из нержавеющей стали с наружным кольцом с фланцем W 619/9 R-2RS1 (SKF)
радиальный шарикоподшипник из нержавеющей стали W 619/9-2Z (SKF)
Прецизионный радиально-упорный шарикоподшипник 719/9 CE/HCP4AH (SKF)