Главная > Подшипники> Шариковые> Радиально-упорные>71840 C

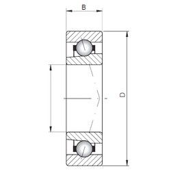
71840 C — Подшипник шариковый радиально-упорный, импортное производство по ISO стандарту, размер 200x250x24 номер основного исполнения .
Производитель: ISO.
С = Необслуживаемые концы стержней, внутренняя резьба.
Цена по запросу
Цена на подшипник зависит от:
Габаритные размеры
Размеры и геометрические характеристики
Защита
Конструкция и исполнение
Подшипник однорядный шариковый радиальный 61840 (CX, FAG, ISB, ISO, SKF)
Подшипник шариковый радиальный однорядный 1000840
Подшипник однорядный шариковый радиальный 61840MA (NKE, SKF)
Подшипник однорядный шариковый радиальный 61840MA.C3 (SKF)
Подшипник шариковый радиальный 1000840 АБ (ГПЗ-23)
Подшипник шариковый радиальный однорядный 1000840 Л