Главная > Подшипники> Шариковые> Радиально-упорные>71811-B-TVH

71811-B-TVH — Подшипник шариковый радиально-упорный, импортное производство по ISO стандарту, размер 55x72x9 номер основного исполнения .
Производитель: FAG.
TV = Твердая клетка из армированного стекловолокном полиамида, шариковая езда.
Цена по запросу
Цена на подшипник зависит от:
Габаритные размеры
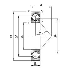
Размеры и геометрические характеристики
Нагрузка и ресурс
Присоединительные размеры
Прочие характеристики
Подшипник однорядный шариковый радиальный 61811 (CRAFT, CX, ISB, ISO, NKE)
Подшипник однорядный шариковый радиальный 61811 C3 (NKE)
Подшипник однорядный шариковый радиальный 61811 Y (FAG, NKE)
Подшипник однорядный шариковый радиальный 61811 2RS1 (NKE)
Подшипник однорядный шариковый радиальный 61811 2Z.C3 (NKE)