Главная > Подшипники> Шариковые> Радиально-упорные>71810-B-TVH

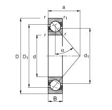
71810-B-TVH — Подшипник шариковый радиально-упорный, импортное производство по ISO стандарту, размер 50x65x7 номер основного исполнения .
Производитель: FAG.
TV = Твердая клетка из армированного стекловолокном полиамида, шариковая езда.
Цена от:7 887 р.
Цена на подшипник зависит от:
Габаритные размеры
Размеры и геометрические характеристики
Нагрузка и ресурс
Присоединительные размеры
Прочие характеристики
Подшипник однорядный шариковый радиальный 61810 (CRAFT, CX, IBC, ISB, ISO)
Подшипник однорядный шариковый радиальный 61810C3 (IBC)
Подшипник однорядный шариковый радиальный 61810Y (FAG, IBC)
Подшипник однорядный шариковый радиальный 618102RSY (IBC)
Подшипник однорядный шариковый радиальный 618102Z (IBC, ZEN)
Подшипник шариковый радиальный однорядный 1000810